0
HMC577
  • HMC577

HMC577

RECOMMENDED FOR NEW DESIGNS

x2 Active Multiplier SMT, 27 - 31 GHz Fout

Analog Devices HMC577 Product Info

10 February 2026 12

Features

  • Very High Output Power: +20 dBm
  • Low Input Power Drive: -2 to +6 dBm
  • Very High Fo, 3Fo Isolation:
    >55 dBc @ Fout= 29 GHz
  • 100 kHz SSB Phase Noise: -128 dBc/Hz
  • Single Supply: +5V @ 213 mA
  • 24 Lead 4×4mm QFN Package: 16mm2

Part details & applications

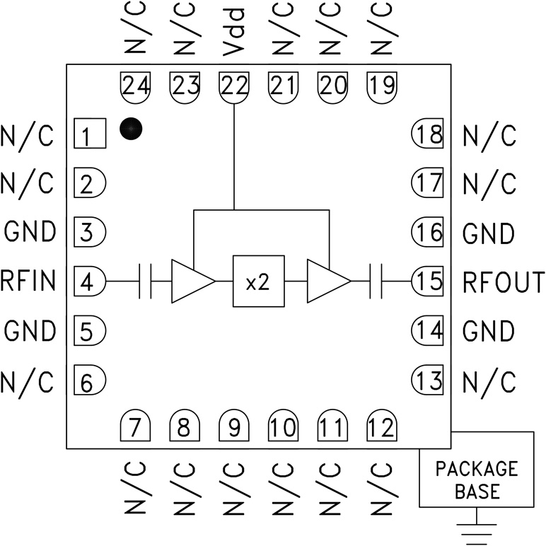
The HMC577LC4B is a x2 active broadband frequency multiplier utilizing GaAs PHEMT technology in a leadless RoHS compliant SMT package. When driven by a +5 dBm signal, the multiplier provides +20 dBm typical output power from 27 to 31 GHz. The Fo and 3Fo isolations are >55 dBc at 29 GHz.

The HMC577LC4B is ideal for use in LO multiplier chains for Pt to Pt & VSAT Radios yielding reduced parts count vs. traditional approaches. The low additive SSB Phase Noise of -128 dBc/Hz at 100 kHz offset helps maintain good system noise performance. The RoHS packaged HMC577LC4B eliminates the need for wire bonding, and allows the use of surface mount manufacturing techniques.

APPLICATIONS

  • Clock Generation Applications:
    SONET OC-192 & SDH STM-64
  • Point-to-Point & VSAT Radios
  • Test Instrumentation
  • Military & Space

Subscribe to Welllinkchips !
Your Name
* Email
Submit a request