0
MAX1749
  • MAX1749

MAX1749

PRODUCTION

SOT23 Vibrator Motor Driver Allows Constant Vibration Force over the Battery Voltage Range

Analog Devices MAX1749 Product Info

10 February 2026 9

Features

  • Fixed 1.25V or Adjustable (1.25V to 6.5V) Output
  • Low Cost
  • Thermal Overload Protection
  • Output Current Limit
  • Reverse Battery Protection
  • Low 0.1nA Off Supply Current
  • Low 80µA Full-Load Supply Current

Part details & applications

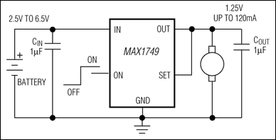
The MAX1749 allows for a constant vibration force while operating from a +2.5V to +6.5V input range and delivering up to 120mA. A PMOS pass transistor allows the 80µA supply current to remail independent of the load.

The output voltage can be adjusted from +1.25V to VIN with an external resistor-divider. When turned off (ON = low), the MAX1749 supply current drops to 1µA (max) to minimize battery drain. Other features include short-circuit protection, thermal shutdown protection, and reverse battery protection. The MAX1749 is available in a 5-pin SOT23 package.

Applications

  • Pager Vibrator Motor Drivers
  • Wireless Handset Vibrator Motor Drivers

Subscribe to Welllinkchips !
Your Name
* Email
Submit a request