0
MAX6651
  • MAX6651

MAX6651

PRODUCTION

Fan-Speed Regulators and Monitors with SMBus/I²C-Compatible Interface Controls and Monitors Fan Speed for High-Performance Thermal Management

Analog Devices MAX6651 Product Info

10 February 2026 5

Features

  • Closed/Open-Loop Fan-Speed Control for 5V/12V Fans
  • 2-Wire SMBus/I²C-Compatible Interface
  • Monitors Tachometer Output
    • Single Tachometer (MAX6650)
    • Up to Four Tachometers (MAX6651)
  • Programmable Alert Output
  • GPIOs
  • Hardware Full-On Override
  • Synchronize Multiple Fans
  • Four Selectable Slave Addresses
  • 3V to 5.5V Supply Voltage
  • Small Packages
    • 10-Pin µMAX (MAX6650)
    • 16-Pin QSOP (MAX6651)

Part details & applications

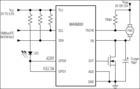
The MAX6650/MAX6651 fan controllers use an SMBus/I²C-compatible interface to regulate and monitor the speed of 5VDC/12VDC brushless fans with built-in tachometers. They automatically force the fan's tachometer frequency (fan speed) to match a preprogrammed value in the Fan-Speed Register by using an external MOSFET or bipolar transistor to linearly regulate the voltage across the fan. The MAX6650 regulates the speed of a single fan by monitoring its tachometer output. The MAX6651 also regulates the speed of a single fan, but it contains additional tachometer inputs to monitor up to four fans and control them as a single unit when they are used in parallel.

The MAX6650/MAX6651 provide general-purpose input/output (GPIO) pins that serve as digital inputs, digital outputs, or various hardware interfaces. Capable of sinking 10mA, these open-drain inputs/outputs can drive an LED. To add additional hardware control, configure GPIO1 to fully turn on the fan in case of software failure. To generate an interrupt when a fault condition is detected, configure GPIO0 to behave as an active-low alert output. Synchronize multiple devices by setting GPIO2 (MAX6651 only) as an internal clock output or an external clock input.

The MAX6650 is available in a space-saving 10-pin µMAX® package, and the MAX6651 is available in a small 16-pin QSOP package.

Applications

  • Computers: Desktop, Workstation, Server
  • Networking
  • RAID
  • Servers
  • Telecommunications
  • Workstations

Subscribe to Welllinkchips !
Your Name
* Email
Submit a request