0
HMC547ALC3
  • HMC547ALC3

HMC547ALC3

PRODUCTION

GaAs MMIC SPDT Non-Reflective Switch, DC - 28.0 GHz

Analog Devices HMC547ALC3 Product Info

10 February 2026 19

Features

  • High Isolation:
    45 dB @ 10 GHz
    39 dB @ 20 GHz
  • Low Insertion Loss:
    1.9 dB @ 10 GHz
    2.2 dB @ 20 GHz
  • Fast Switching: 6 ns
  • Non-Reflective Design
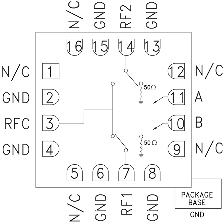
  • 16 Lead Ceramic 3×3 mm SMT Package: 9mm2

Part details & applications

The HMC547ALC3 is a general purpose broadband high isolation non-reflective GaAs pHEMT SPDT switch in a ceramic 3×3 mm leadless surface mount package. Covering DC to 28.0 GHz, the switch offers over 40 dB isolation and less than 2 dB insertion loss at midband. The wide bandwidth, fast switching, and compact size make this absorbtive SPDT ideal for military EW/ECM and test equipment applications. The switch operates using complementary negative control voltage logic lines of -5/0V and requires no bias supply.

Applications

  • Fiber Optics & Broadband Telecom
  • Microwave Radio & VSAT
  • Military Radios, Radar, & ECM
  • Test Instrumentation

Subscribe to Welllinkchips !
Your Name
* Email
Submit a request