0
AD5554
  • AD5554
  • AD5554

AD5554

PRODUCTION

Quad, Current-Output, Serial-Input 16-/14-Bit DACs

Analog Devices AD5554 Product Info

10 February 2026 9

Features

  • 14-bit resolution
  • INL of ±0.5 LSB (B Grade)
  • 2 mA full-scale current ± 20%, with VREF = ±10 V
  • 0.9 μs settling time to ±0.1%
  • 12 MHz multiplying bandwidth
  • Midscale glitch of −1 nV-sec
  • Midscale or zero-scale reset
  • Four separate, 4-quadrant multiplying reference inputs
  • See data sheet for additional feature

Part details & applications

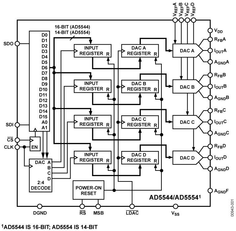
The AD5544 / AD5554 quad, 16-/14-bit, current output, digital-to-analog converters (DACs) are designed to operate from 2.7 V to 5.5 V supply range.

The applied external reference input voltage (VREFx) determines the full-scale output current. Integrated feedback resistors (RFB) provide temperature-tracking, full-scale voltage outputs when combined with an external I-to-V precision amplifier.

A double-buffered serial data interface offers high speed, 3-wire, SPI- and microcontroller-compatible inputs using serial data in (SDI), a chip select (CS), and clock (CLK) signals. In addition, a serial data out pin (SDO) allows for daisy-chaining when multiple packages are used. A common, level-sensitive, load DAC strobe (LDAC) input allows the simultaneous update of all DAC outputs from previously loaded input registers. Additionally, an internal power-on reset forces the output voltage to 0 at system turn-on. An MSB pin allows system reset assertion (RS) to force all registers to zero code when MSB = 0, or to half-scale code when MSB = 1.

The AD5544 is packaged in the compact 28-lead SSOP and 32-lead LFCSP. The AD5554 is packaged in the compact 28-lead SSOP

APPLICATIONS

  • Automatic test equipment
  • Instrumentation
  • Digitally controlled calibration

Subscribe to Welllinkchips !
Your Name
* Email
Submit a request