0
HMC505
  • HMC505

HMC505

RECOMMENDED FOR NEW DESIGNS

VCO SMT w/Buffer Amplifier, 6.8 - 7.4 GHz

Analog Devices HMC505 Product Info

10 February 2026 7

Features

  • Pout: +11dBm
  • Phase Noise: -106 dBc/Hz @100 kHz
  • No External Resonator Needed
  • Single Supply: +3V @ 80 mA
  • QFN Leadless SMT Package, 16mm2

Part details & applications

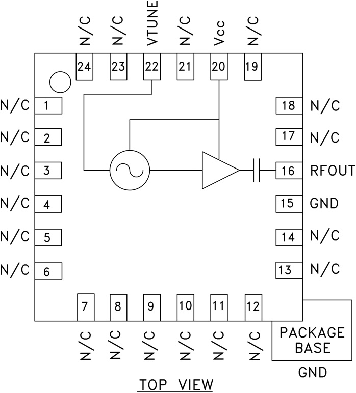
The HMC505LP4(E) is a GaAs InGaP Heterojunction Bipolar Transistor (HBT) MMIC VCO with an integrated resonator, negative resistance device, varactor diode, and buffer amplifier. Covering 6.8 to 7.4 GHz, the VCO’s phase noise performance is excellent over temperature, shock and vibration due to the oscillator’s monolithic structure. Power output is +11 dBm typical from a single supply of +3V @ 80 mA. The voltage controlled oscillator is packaged in a leadless QFN 4x4 mm surface mount package.

APPLICATIONS

  • VSAT & Microwave Radio
  • Test Equipment & Industrial Controls
  • Military

Subscribe to Welllinkchips !
Your Name
* Email
Submit a request