0
HMC386
  • HMC386

HMC386

RECOMMENDED FOR NEW DESIGNS

VCO SMT w/Buffer Amplifier, 2.6 - 2.8 GHz

Analog Devices HMC386 Product Info

10 February 2026 9

Features

  • Pout: +5 dBm
  • Phase Noise: -114 dBc/Hz @100 kHz
  • No External Resonator Needed
  • Single Supply: +3V @ 35mA
  • QFN Leadless SMT Package, 16 mm2

Part details & applications

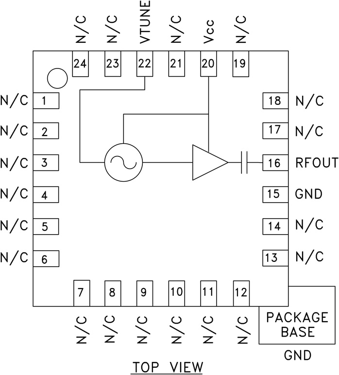
The HMC386LP4(E) is a GaAs InGaP Heterojunction Bipolar Transistor (HBT) MMIC VCO with integrated resonator, negative resistance device, varactor diode, and buffer amplifiers. Covering 2.6 to 2.8 GHz, the VCO’s phase noise performance is excellent over temperature, shock, vibration and process due to the oscillator’s monolithic structure. Power output is 5 dBm typical from a single supply of 3V @ 35mA. The voltage controlled oscillator is packaged in a low cost leadless QFN 4x4 mm surface mount package.

APPLICATIONS

  • Wireless Infrastructure
  • Industrial Controls
  • Test Equipment
  • Military

Subscribe to Welllinkchips !
Your Name
* Email
Submit a request