0
MAX5884
  • MAX5884

MAX5884

PRODUCTION

3.3V, 14-Bit, 200Msps High Dynamic Performance DAC with CMOS Inputs

Analog Devices MAX5884 Product Info

10 February 2026 8

Features

  • 200Msps Output Update Rate
  • Single 3.3V Supply Operation
  • Excellent SFDR and IMD Performance
    • SFDR = 77dBc at fOUT = 10MHz (to Nyquist)
    • IMD = -86dBc at fOUT = 10MHz
    • ACLR = 72dB at fOUT = 30.72MHz
  • 2mA to 20mA Full-Scale Output Current
  • CMOS-Compatible Digital and Clock Inputs
  • On-Chip 1.2V Bandgap Reference
  • Low Power Dissipation
  • 48-Pin QFN-EP Package

Part details & applications

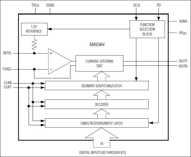
The MAX5884 is an advanced, 14-bit, 200Msps digital-to-analog converter (DAC) designed to meet the demanding performance requirements of signal synthesis applications found in wireless base stations and other communications applications. Operating from a single 3.3V supply, this DAC offers exceptional dynamic performance such as 77dBc spurious-free dynamic range (SFDR) at fOUT = 10MHz. The DAC supports update rates of 200Msps at a power dissipation of less than 200mW.

The MAX5884 utilizes a current-steering architecture, which supports a full-scale output current range of 2mA to 20mA, and allows a differential output voltage swing between 0.1VP-P and 1VP-P.

The MAX5884 features an integrated 1.2V bandgap reference and control amplifier to ensure high accuracy and low noise performance. Additionally, a separate reference input pin enables the user to apply an external reference source for optimum flexibility and to improve gain accuracy.

The digital and clock inputs of the MAX5884 are designed for CMOS-compatible voltage levels. The MAX5884 is available in a 48-pin QFN package with an exposed paddle (EP) and is specified for the extended industrial temperature range (-40°C to +85°C).

Applications

  • Automated Test Equipment (ATE)
  • Base Stations: Single-/Multicarrier UMTS, CDMA, GSM
  • Communications: LMDS, MMDS, Point-to-Point
  • Digital Signal Synthesis
  • Instrumentation
  • Microwave

Subscribe to Welllinkchips !
Your Name
* Email
Submit a request