0
LTC2619
  • LTC2619
  • LTC2619
  • LTC2619

LTC2619

PRODUCTION

Quad 16-/14-/12-Bit Rail-to-Rail DACs with I2C Interface

Analog Devices LTC2619 Product Info

10 February 2026 7

Features

  • Smallest Pin-Compatible Quad DACs:
    • LTC2609: 16 Bits
    • LTC2619: 14 Bits
    • LTC2629: 12 Bits
  • Guaranteed Monotonic Over Temperature
  • Separate Reference Inputs
  • 27 Selectable Addresses
  • 400kHz I2C Interface
  • Wide 2.7V to 5.5V Supply Range
  • Low Power Operation: 250μA per DAC at 3V
  • Individual Channel Power Down to 1μA (Max)
  • High Rail-to-Rail Output Drive (±15mA, Min)
  • Ultralow Crosstalk Between DACs (5μV)
  • LTC2609/LTC2619/LTC2629: Power-On Reset to Zero-Scale
  • LTC2609-1/LTC2619-1/LTC2629-1: Power-On Reset to Mid-Scale
  • Tiny 16-Lead Narrow SSOP Package

Part details & applications

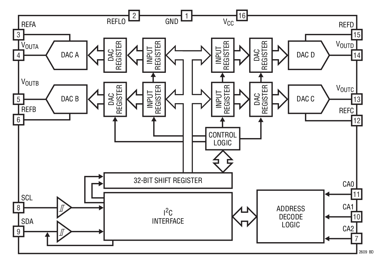
The LTC2609/LTC2619/LTC2629 are quad 16-, 14- and 12- bit, 2.7V to 5.5V rail-to-rail voltage output DACs in a 16‑lead SSOP package. They have built-in high performance output buffers and are guaranteed monotonic.

These parts establish new board-density benchmarks for 16- and 14-bit DACs and advance performance standards for output drive and load regulation in single-supply, voltage- output DACs.

The parts use a 2-wire, I2C compatible serial interface. The LTC2609/LTC2619/LTC2629 operate in both the standard mode (clock rate of 100kHz) and the fast mode (clock rate of 400kHz).

The LTC2609/LTC2619/LTC2629 incorporate a power-on reset circuit. During power-up, the voltage outputs rise less than 10mV above zero-scale; after power-up, they stay at zero-scale until a valid write and update take place. The power-on reset circuit resets the LTC2609-1/LTC2619‑1/ LTC2629-1 to mid-scale. The voltage outputs stay at midscale until a valid write and update take place.

Applications

  • Mobile Communications
  • Process Control and Industrial Automation
  • Automatic Test Equipment and Instrumentation

Subscribe to Welllinkchips !
Your Name
* Email
Submit a request