0
MAX9963
  • MAX9963

MAX9963

PRODUCTION

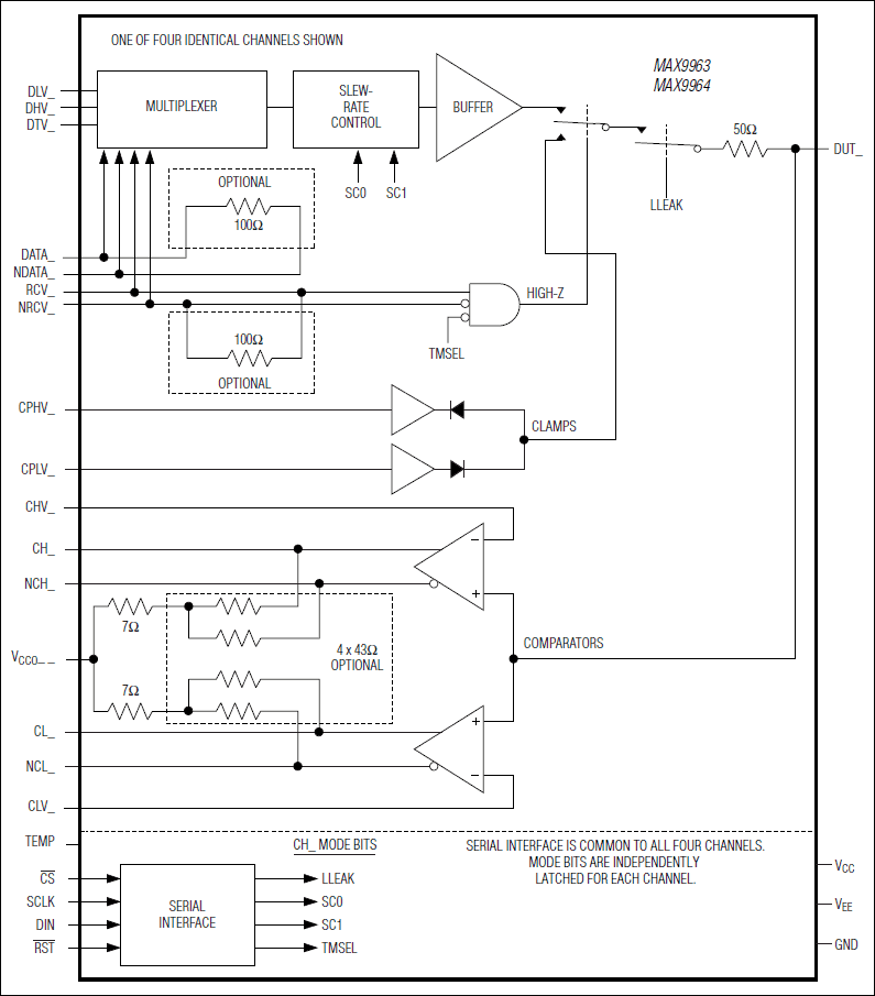
Quad Low-Power 500Mbps ATE Driver/Comparator

Analog Devices MAX9963 Product Info

10 February 2026 11

Features

  • Small Footprint—Four Channels in 0.4in²
  • Low Power Dissipation: 825mW/Channel (typ)
  • High Speed: 500Mbps at 3VP-P
  • Low Timing Dispersion
  • Wide -1.5V to +6.5V Operating Range
  • Active Termination (3rd-Level Drive)
  • Low-Leakage Mode: 15nA (max)
  • Integrated Clamps
  • Interface Easily with Most Logic Families
  • Digitally Programmable Slew Rate
  • Internal Logic Termination Resistors
  • Low Gain and Offset Error

Part details & applications

The MAX9963/MAX9964 four-channel, low-power, high-speed pin electronics driver and comparator ICs include, for each channel, a three-level pin driver, a dual comparator, and variable clamps. The driver features a wide voltage range and high-speed operation, includes high-Z and active-termination (3rd-level drive) modes, and is highly linear even at low-voltage swings. The dual comparator provides low dispersion (timing variation) over a wide variety of input conditions. The clamps provide damping of high-speed DUT waveforms when the device is configured as a high-impedance receiver. High-speed, differential control inputs compatible with ECL, LVPECL, LVDS, and GTL levels are provided for each channel. ECL/LVPECL or flexible open-collector outputs are available for the comparators.

The A-grade version provides tight matching of gain and offset for the drivers and comparators, allowing reference levels to be shared across multiple channels in cost-sensitive systems. For system designs that incorporate independent reference levels for each channel, the B-grade version is available at reduced cost.

Optional internal resistors at the high-speed inputs provide differential termination of LVDS inputs, while optional internal resistors provide the pullup voltage and source termination for open-collector comparator outputs. These features significantly reduce the discrete component count on the circuit board.

Low-leakage, slew rate, and tri-state/terminate controls are operational configurations that are programmed through a 3-wire, low-voltage, CMOS-compatible serial interface.

The MAX9963/MAX9964 operating range is -1.5V to +6.5V, with power dissipation of only 825mW per channel. These devices are available in a 100-pin, 14mm x 14mm body, 0.5mm pitch TQFP with an exposed 8mm x 8mm die pad on the top (MAX9963) or bottom (MAX9964) of the package for

Subscribe to Welllinkchips !
Your Name
* Email
Submit a request