0
HMC1057
  • HMC1057

HMC1057

RECOMMENDED FOR NEW DESIGNS

GaAs MMIC Sub-Harmonic I/Q Mixer, 71 - 86 GHz

Analog Devices HMC1057 Product Info

10 February 2026 10

Features

  • Passive: No DC Bias Required
  • High Input IP3: 13 dBm[upconverter performance]
  • High LO/RF Isolation: 30 dB
  • High 2LO/RF Isolation: 50 dB
  • Wide IF Bandwidth: DC - 12 GHz
  • Upconversion & Downconversion Applications
  • Die Size: 1.74 x 1.73 x 0.1 mm

Part details & applications

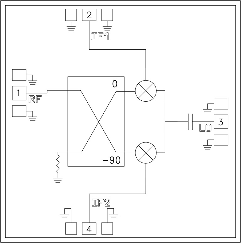
The HMC1057 is a sub-harmonically pumped MMIC Mixer which can be used as either an Image reject mixer (IRM) or a single sideband upconverter. This passsive MMIC mixer is fabricated with GaAs Shottky diode technology. For downconversion applications, an external quadrature hybrid can be used to select the desired sideband while rejecting image signals. All bond pads and the die backside are Ti/Au metallized and the Shottky devices are fully passivated for reliable operation. All data shown herein is measured with the chip in a 50 Ohm environment and contacted with RF probes.

APPLICATIONS

  • Short Haul/High Capacity Radios 
  • Test Equipment & Sensors 
  • Military End-Use 
  • E-Band Communications Systems 
  • Automotive Radar

Subscribe to Welllinkchips !
Your Name
* Email
Submit a request