0
HMC-C011
  • HMC-C011

HMC-C011

PRODUCTION

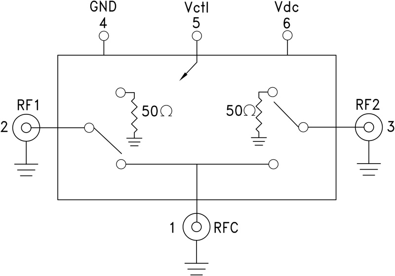
Hi Isolaton SPDT Switch Module, DC - 20 GHz

Analog Devices HMC-C011 Product Info

10 February 2026 9

Features

  • High Isolation: >45 dB up to 5 GHz
    <35 dB up to 20 GHz
  • Low Insertion Loss: 2 dB @ 12 GHz
    2.5 dB @ 16 GHz
  • Fast Switching
  • Non-Reflective Design
  • Hermetically Sealed Module
  • Field Replaceable SMA Connectors
  • −55 to +85°C Operating Temperature

Part details & applications

The HMC-C011 is a general purpose broadband high isolation non-reflective GaAs MESFET SPDT switch housed in a miniature hermetic module with field replaceable SMA connectors. Covering DC to 20 GHz, the switch offers high isolation and low insertion loss. The switch features >45 dB isolation up to 5 GHz and >35 dB isolation up to 20 GHz. CMOS interface allows a single positive +5V bias voltage at very low DC currents.

APPLICATIONS

  • Basestation Infrastructure
  • Fiber Optics & Broadband Telecom
  • Microwave Radio & VSAT
  • Military Radios, Radar, & ECM
  • Test Instrumentation

Subscribe to Welllinkchips !
Your Name
* Email
Submit a request