0
MAX7318
  • MAX7318

MAX7318

PRODUCTION

2-Wire-Interfaced, 16-Bit, I/O Port Expander with Interrupt and Hot-Insertion Protection

Analog Devices MAX7318 Product Info

10 February 2026 9

Features

  • 400kbps I²C-Compatible Serial Interface
  • 2V to 5.5V Operation
  • 5.5V Overvoltage-Tolerant I/Os
  • Supports Hot Insertion
  • 16 I/O Pins that Default to Inputs on Power-Up
  • 100kΩ Pullup on Each I/O
  • Open-Drain Interrupt Output (Active-Low INT)
  • Noise Filter on SCL/SDA Inputs
  • 64 Slave ID Addresses Available
  • Low Standby Current (5.4µA typ)
  • Polarity Inversion
  • 4mm x 4mm, 0.8mm Thin QFN Package
  • -40°C to +125°C Operation

Part details & applications

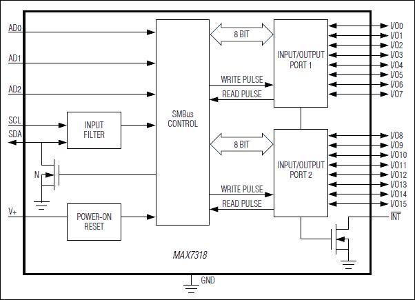
The MAX7318 2-wire-interfaced expander provides 16-bit parallel input/output (I/O) port expansion for SMBus™ and I²C applications. The MAX7318 consists of input port registers, output port registers, polarity inversion registers, configuration registers, and an I²C-compatible serial interface logic compatible with SMBus. The system master can invert the MAX7318 input data by writing to the active-high polarity inversion register.

Any of the 16 I/O ports can be configured as an input or output. A power-on reset (POR) initializes the 16 I/Os as inputs. Three address select pins configure one of 64 slave ID addresses.

The MAX7318 supports hot insertion. All port pins, the active-low INT output, SDA, SCL, and the slave address inputs AD0–2 remain high impedance in power-down (V+ = 0V) with up to 6V asserted upon them.

The MAX7318 is available in 24-pin SO, SSOP, TSSOP, and thin QFN packages and is specified over the -40°C to +125°C automotive temperature range.

For applications requiring an SMBus timeout function, refer to the MAX7311 data sheet.

Applications

  • Industrial Control
  • Instrumentation and Test Measurement
  • Medical Equipment
  • PLCs
  • RAID Systems
  • Servers

Subscribe to Welllinkchips !
Your Name
* Email
Submit a request