0
MAX7328
  • MAX7328

MAX7328

PRODUCTION

I²C Port Expanders with Eight I/O Ports

Analog Devices MAX7328 Product Info

10 February 2026 9

Features

  • 100kHz, 5.5V-Tolerant, I2C-Compatible Serial Interface
  • 2.5V to 5.5V Operating Supply Voltage Range
  • Low-Standby-Current Consumption of 10µA (max)
  • I2C Bus-to-Parallel-Port Expander
  • Open-Drain Interrupt Output Active-Low INT
  • 8-Bit Remote I/O Port for the I2C Bus
  • Latched Outputs with High-Current-Drive Capability for Directly Driving LEDs
  • Address by Three Hardware Address Pins for Use of Up to Eight Devices (Up to 16 Using Both MAX7328/MAX7329)
  • Second Sources to PCF8574 and PCF8574A

Part details & applications

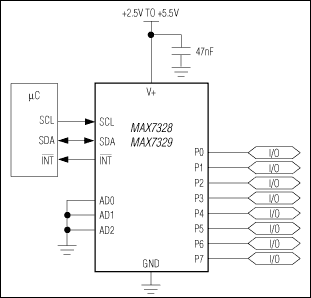
The MAX7328/MAX7329 are 2-wire serial-interfaced peripherals with eight I/O ports. Any port can be used as a logic input or an open-drain output.

All input ports are continuously monitored for state changes (transition detection). Transitions are alerted through the open-drain, 5.5V-tolerant active-low INT output.

The MAX7328 and MAX7329 versions differ only by their slave ID address ranges. The MAX7328 has a slave ID range of 0100xxx (0x20 to 0x27). The MAX7329 has a slave ID range of 0111xxx (0x38 to 0x3F).

For a similar part with overvoltage-protected I/Os and a bus active-low RST input that clears the I²C serial interface, refer to the MAX7321 data sheet. The MAX7328/MAX7329 are members of a family of pin-compatible port expanders with a choice of input ports, open-drain I/O ports, and push-pull output ports (see the Selector Guide in the full data sheet).

Applications

  • Industrial
  • Notebooks
  • RAID
  • Servers

Subscribe to Welllinkchips !
Your Name
* Email
Submit a request