0
DS21448
  • DS21448

DS21448

3.3V E1/T1/J1 Quad Line Interface 3.3V E1/T1/J1 Quad Line Interface Unit for Short-Haul and Long-Haul Applications

Analog Devices DS21448 Product Info

10 February 2026 10

Features

  • Four Complete E1, T1, or J1 LIUs
  • Supports Long- and Short-Haul Trunks
  • Internal Software-Selectable Receive-Side Termination for 75Ω/100Ω/120Ω
  • 3.3V Power Supply
  • 32-Bit or 128-Bit Crystal-Less Jitter Attenuator Requires Only a 2.048MHz Master Clock for E1 and T1, with the Option to Use 1.544MHz for T1
  • Generates the Appropriate Line Build-Outs With and Without Return Loss for E1, and DSX-1 and CSU Line Build-Outs for T1
  • AMI, HDB3, and B8ZS Encoding/Decoding
  • 16.384MHz, 8.192MHz, 4.096MHz, or 2.048MHz Clock Output Synthesized to Recovered Clock
  • Programmable Monitor Mode for Receiver
  • Loopbacks and PRBS Pattern Generation/ Detection with Output for Received Errors
  • Generates/Detects In-Band Loop Codes, 1 to 16 Bits, Including CSU Loop Codes
  • 8-Bit Parallel or Serial Interface with Optional Hardware Mode
  • Muxed and Nonmuxed Parallel Bus Supports Intel or Motorola
  • Detects/Generates Blue (AIS) Alarms
  • NRZ/Bipolar Interface for Tx/Rx Data I/O
  • Transmit Open-Circuit Detection
  • Receive Carrier Loss (RCL) Indication (G.775)
  • High-Z State for TTIP and TRING
  • 50mARMSTransmit Current Limiter
  • JTAG Boundary Scan Test Port per IEEE 1149.1
  • Meets Latest E1 and T1 Specifications Including ANSI.403-1999, ANSI T1.408, AT&T TR 62411, ITU G.703, G.704, G.706, G.736, G.775, G.823, I.431, O.151, O.161, ETSI ETS 300 166, JTG.703, JTI.431, TBR12, TBR13, and CTR4

Part details & applications

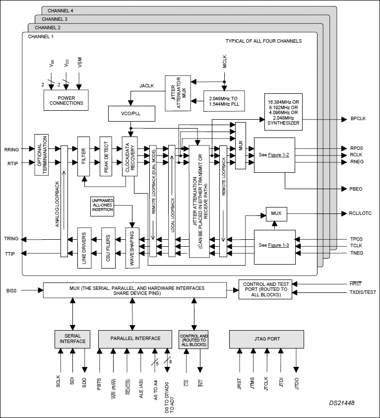
The DS21448 is a quad-port E1 or T1 line interface unit (LIU) for short-haul and long-haul applications. It incorporates four independent transmitters and four independent receivers in a single 144-pin PBGA or 128-pin LQFP package. The transmit drivers generate the necessary G.703 E1 waveshapes in 75Ω or 120Ω applications and the DSX-1 or CSU line build-outs of 0dB, -7.5dB, -15dB, and -22.5dB for T1 applications.

Applications

  • Central-Office Switches and PBX Interfaces
  • Integrated Multiservice Access Platforms
  • T1/E1 Cross-Connects, Multiplexers, and Channel Banks
  • T1/E1 LAN/WAN Routers
  • Wireless Base Stations

Subscribe to Welllinkchips !
Your Name
* Email
Submit a request