0
ADRF6750
  • ADRF6750
  • ADRF6750

ADRF6750

RECOMMENDED FOR NEW DESIGNS

950 MHz to 1575 MHz Quadrature Modulator with Integrated Fractional-N PLL and VCO

Analog Devices ADRF6750 Product Info

10 February 2026 23

Features

  • I/Q modulator with integrated fractional-N PLL and VCO
  • Gain control span: 47 dB in 1 dB steps
  • Output frequency range: 950 MHz to 1575 MHz
  • Output 1 dB compression: 8.5 dBm
  • Output IP3: 23 dBm
  • Noise floor: −162 dBm/Hz
  • Baseband modulation bandwidth: 250 MHz (1 dB)
  • Output frequency resolution: 1 Hz
  • Functions with external VCO for extended frequency range
  • SPI and I2C-compatible serial interfaces
  • Power supply: 5 V/310 mA

Part details & applications

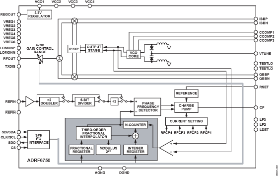
The ADRF6750 is a highly integrated quadrature modulator, frequency synthesizer, and programmable attenuator. The device covers an operating frequency range from 950 MHz to 1575 MHz for use in satellite, cellular and broadband communications.

The ADRF6750 modulator includes a high modulus fractional-N frequency synthesizer with integrated VCO, providing better than 1 Hz frequency resolution, and a 47 dB digitally controlled output attenuator with 1 dB steps.

Control of all the on-chip registers is through a user-selected SPI interface or I2C interface. The device operates from a single power supply ranging from 4.75 V to 5.25 V.

Subscribe to Welllinkchips !
Your Name
* Email
Submit a request