0
ADF9010
  • ADF9010
  • ADF9010

ADF9010

PRODUCTION

900 MH z ISM Band Analog RF Front End

Analog Devices ADF9010 Product Info

10 February 2026 11

Features

  • 840 MHz to 960 MHz ISM bands
  • Rx baseband analog low-pass filtering and PGA
  • Integrated RF Tx upconverter
  • Integrated integer-N PLL and VCO
  • Integrated Tx PA preamplifier
  • Differential fully balanced architectures
  • 3.3 V supply
  • See Data Sheet for Additional Information

Part details & applications

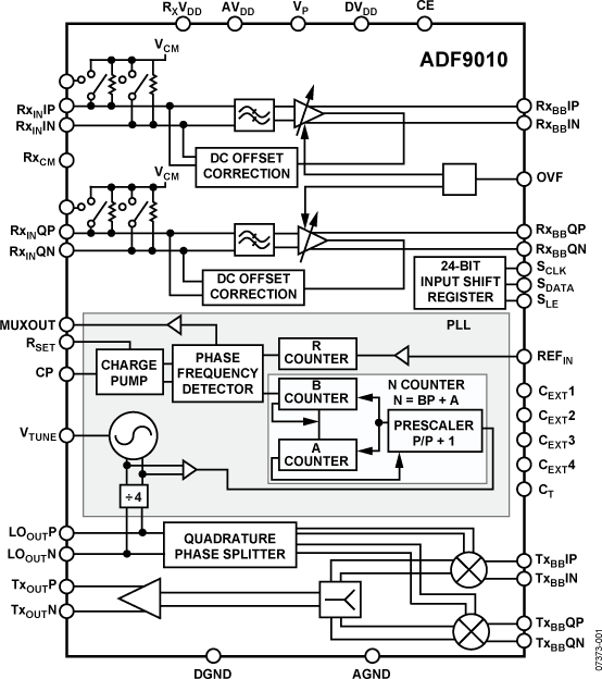
The ADF9010 is a fully integrated RF Tx modulator and Rx analog baseband front end that operates in the frequency range from 840 MHz to 960 MHz. The receive path consists of a fully differential I/Q baseband PGA, low-pass filter, and general signal conditioning before connecting to an Rx ADC for baseband conversion. The Rx LPF gain ranges from 3 dB to 24 dB, programmable in 3 dB steps. The Rx LPF features four programmable modes with cutoff frequencies of 330 kHz, 880 kHz, and 1.76 MHz, or the filter can be bypassed if necessary.

The transmit path consists of a fully integrated differential Tx direct I/Q upconverter with a high linearity PA driver amplifier. It converts a baseband I/Q signal to an RF carrier-based signal between 840 MHz and 960 MHz. The highly linear transmit signal path ensures low output distortion.

Complete local oscillator (LO) signal generation is integrated on chip, including the integer-N synthesizer and VCO, which generate the required I and Q signals for transmit I/Q upconversion. The LO signal is also available at the output to drive an external RF demodulator. Control of all the on-chip registers is via a simple 3-wire serial interface. The device operates with a power supply ranging from 3.15 V to 3.45 V and can be powered down when not in use.

APPLICATIONS

  • 900 MHz RFID readers
  • Unlicensed band 900 MHz applications

Subscribe to Welllinkchips !
Your Name
* Email
Submit a request