0
ADV7511W
  • ADV7511W
  • ADV7511W

ADV7511W

RECOMMENDED FOR NEW DESIGNS

165 MHz High Performance HDMI Transmitter

Analog Devices ADV7511W Product Info

10 February 2026 10

Features

GENERAL

  • Incorporates HDMI v.1.4 features 3D video support
  • 165 MHz supports all video formats up to 1080p and UXGA
  • Supports gamut metadata packet transmission
  • Integrated CEC buffer/controller
  • Compatible with DVI v.1.0 and HDCP v.1.3
  • Video/audio inputs accept logic levels from 1.8 V to 3.3 V

DIGITAL VIDEO

  • 3D video ready
  • Programmable two-way color space converter
  • Supports RGB, YCbCr, and DDR
  • Supports ITU656-based embedded syncs
  • Automatic input video format timing detection (CEA-861-E)

DIGITAL AUDIO

  • Supports standard SPDIF for stereo LPCM or compressed audio up to 192 kHz
  • High Bit-Rate Audio (HBR)
  • 8-channel uncompressed LPCM I2S audio up to 192 kHz

SPECIAL FEATURES FOR EASY SYSTEM DESIGN

  • On-chip MPU with I2C main to perform HDCP operations and EDID reading operations
  • 5 V tolerant I2C and HPD I/Os, no extra device needed
  • No audio main clock needed for supporting SPDIF and I2S
  • On-chip MPU reports HDMI events through interrupts and registers

Part details & applications

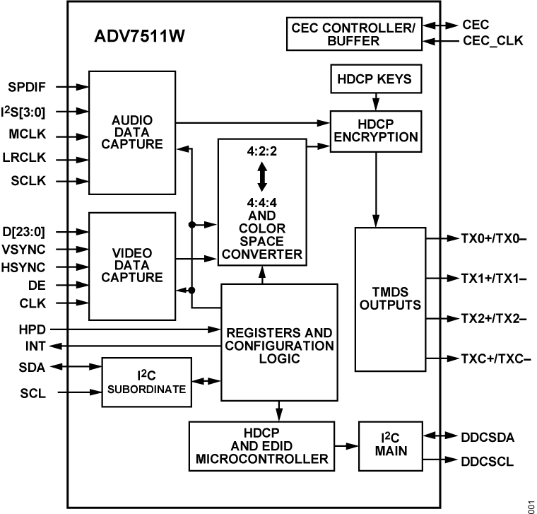
The ADV7511W is a 165 MHz High-Definition Multimedia Interface (HDMI) transmitter, which is ideal for automotive infotainment applications.

The digital video interface contains an HDMI v1.4a and a DVI v.1.0-compatible transmitter, and supports HDTV formats up to 1080p60 and graphics resolutions up to UXGA at 60Hz. The ADV7511W supports HDMI v1.4a features including extended colorimetry, high bit rate audio and 3D video. With the inclusion of high-bandwidth digital content protection (HDCP), the ADV7511W allows the secure transmission of protected content as specified by the HDCP v.1.4 protocol.

The ADV7511W supports both SPDIF and 8-channel I2S audio. Its high fidelity 8-channel I2S can transmit either stereo or 7.1 surround audio up to 768 kHz. The SPDIF can carry compressed audio including Dolby® Digital, DTS®, and THX®. Fabricated in an advanced CMOS process, the ADV7511W is provided in a 64-lead LQFP surface-mount plastic package with exposed paddle and is specified over the −40°C to +105°C temperature range.

APPLICATIONS

  • Automotive Infotainment
  • Head units
  • DVD players
  • Ruggedized PCs

Subscribe to Welllinkchips !
Your Name
* Email
Submit a request