0
MAX77727
  • MAX77727
  • MAX77727
  • MAX77727
  • MAX77727

MAX77727

PRE-RELEASE

22V, 3A Synchronous Buck Converter with Ultrasonic Mode

Analog Devices MAX77727 Product Info

10 February 2026 6

Features

  • 3.6V to 22V Input Voltage Range
  • 1.8V to 15V Output Voltage Range
  • Low Current Consumption and High Efficiency
    • 100nA Shutdown Current
    • 800nA Quiescent Current in Low Power Mode
    • 96% Peak Efficiency
  • Integrated 50mΩ and 45mΩ Power MOSFETs
  • Up to 4.6A Inductor Peak Current Limit
  • MAX77726 Provides 3.3V, 5V, 9V, and 15V Regulation Target Voltage Selection using Two VSEL Pins
  • MAX77727 Provides Output Voltage Programmable from 1.8V to 15V Through I2C (with 100mV Resolution in the Range from 1.8V to 4.9V, and 250mV Resolution in the Range from 5V to 15V
  • MAX77726 Provides Pin Selectable Ultrasonic Mode
  • MAX77727 Provides I2C Selectable for Forced PWM Mode
  • Output Active Discharge Feature
  • Ease of Use and Small Solution Size
    • Cycle-by-Cycle Inductor Peak Current Limit, UVLO, Output Short Circuit, Over-Temperature Protection Features
    • 12-Pin, 0.4mm Pitch, 0.65mm Height Wafer- Level Package (WLP)
    • Use of Chip Type Inductors and Ceramic Capacitors
  • 1.32mm x 1.77mm, 12-WLP, 0.4mm Pitch Package

Part details & applications

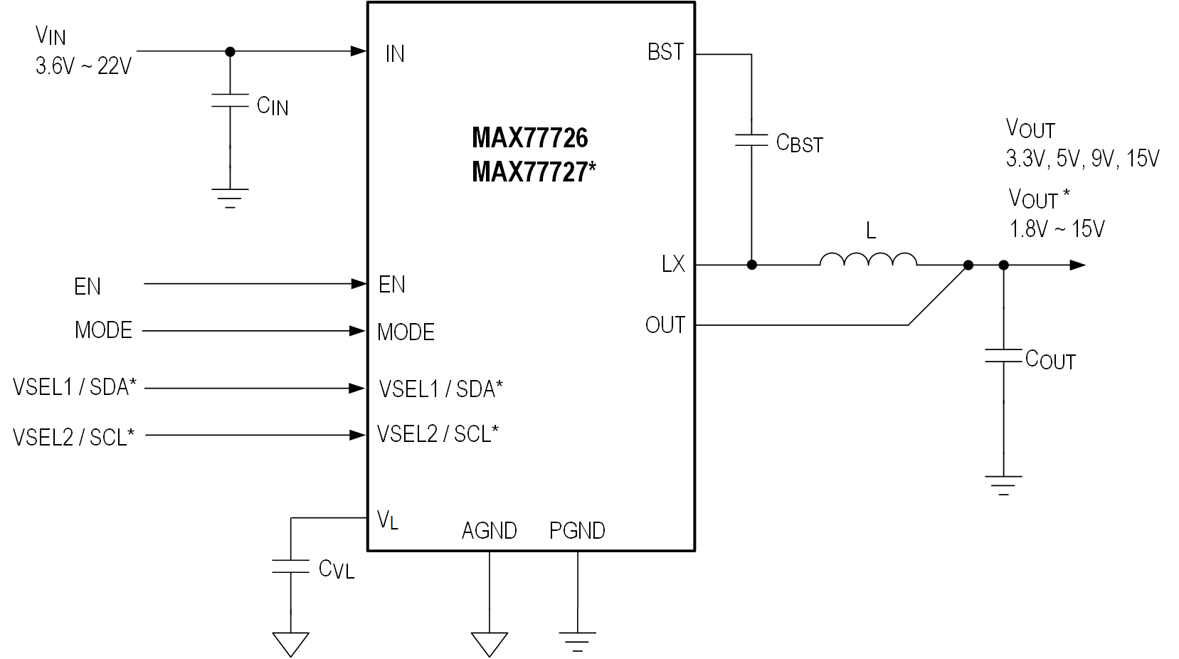
The MAX77726/MAX77727 provide power supply solutions for nano-power applications where size and efficiency are critical. They feature 4.6A inductor peak current protection and can deliver up to 3A output current.

The MAX77726's output voltages can be logically set through the VSEL pins for four specific output voltages. Physical enable pin and mode pin settings provide intuitive control.

The MAX77727's output voltages are programmable through I2C. It also allows MODE and enables selection through the I2C interface and status reading.

APPLICATIONS

  • USB Sourced Devices
  • Portable Electronics
  • 12V Distributed Power Bus Applications

Subscribe to Welllinkchips !
Your Name
* Email
Submit a request