0
ADUM5242
  • ADUM5242
  • ADUM5242

ADUM5242

PRODUCTION

Dual-Channel Isolators with isoPower® Integrated DC/DC Converter, 50 mW (0/2 channel directionality)

Analog Devices ADUM5242 Product Info

10 February 2026 9

Features

  • Integrated isolated dc-to-dc converter
  • Regulated 5 V/10 mA output
  • Dual dc to 1 Mbps (NRZ) signal isolation channels
  • Narrow-body, 8-lead SOIC package
  • RoHS compliant
  • High temperature operation: 105°C
  • Precise timing characteristics
    • 3 ns maximum pulse width distortion
    • 3 ns maximum channel-to-channel matching
    • 70 ns maximum propagation delay
  • High common-mode transient immunity: >25 kV/μs
  • Safety and regulatory approvals
  • UL 1577
    • VISO = 2500 V rms for 1 minute
  • IEC/EN/CSA 62368-1
  • IEC/CSA 61010-1
  • CQC GB 4943.1
  • DIN EN IEC 60747-17 (VDE 0884-17) (pending)
  • VIORM = 560 V peak

Part details & applications

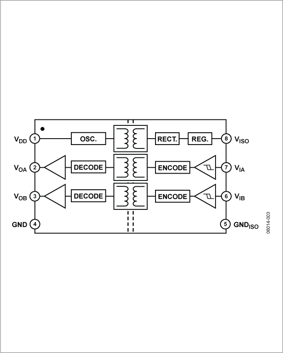
The ADuM524x are dual-channel digital isolators with isoPower integrated, isolated power. Based on the Analog Devices, Inc. iCoupler® technology, a chip-scale DC/DC converter provides up to 50 mW of regulated, isolated power at 5 V, which eliminates the need for a separate isolated DC/DC converter in low power isolated designs. The Analog Devices chip-scale transformer iCoupler technology is used both for the isolation of the logic signals as well as for the DC/DC converter. The result is a small form factor, total isolation solution.

The ADuM524x isolators provide two independent isolation channels in a variety of channel configurations, operating from a 5 V input supply. ADuM524x units may be used in combination with other iCoupler products to achieve greater channel counts.

Subscribe to Welllinkchips !
Your Name
* Email
Submit a request