0
ADRF5740
  • ADRF5740
  • ADRF5740

ADRF5740

RECOMMENDED FOR NEW DESIGNS

2 dB LSB, 4-Bit, Silicon Digital Attenuator, 10 MHz to 60 GHz

Analog Devices ADRF5740 Product Info

10 February 2026 6

Features

  • Ultrawideband frequency range: 10 MHz to 60 GHz
  • Attenuation range: 2 dB steps to 22 dB
  • Low insertion loss
    • 1.4 dB up to 20 GHz
    • 2.2 dB up to 44 GHz
    • 3.3 dB up to 55 GHz
  • Attenuation accuracy
    • ±(0.1 + 1.0% of state) up to 20 GHz
    • ±(0.2 + 3.0% of state) up to 44 GHz
    • ±(0.2 + 7.0% of state) up to 55 GHz
  • Typical step error
    • ±0.30 dB up to 20 GHz
    • ±0.50 dB up to 44 GHz
    • ±0.60 dB up to 55 GHz
  • High input linearity
    • P0.1dB: 25.5 dBm typical
    • IP3: 45 dBm typical
  • High RF input power handling: 24 dBm average, 24 dBm peak
  • Tight distribution in relative phase
  • No low frequency spurious signals
  • Parallel mode control, CMOS and LVTTL compatible
  • RF amplitude settling time (0.1 dB of final RF output): 175 ns/li>
  • 16-terminal, 2.5 mm × 2.5 mm, RoHS compliant LGA package

Part details & applications

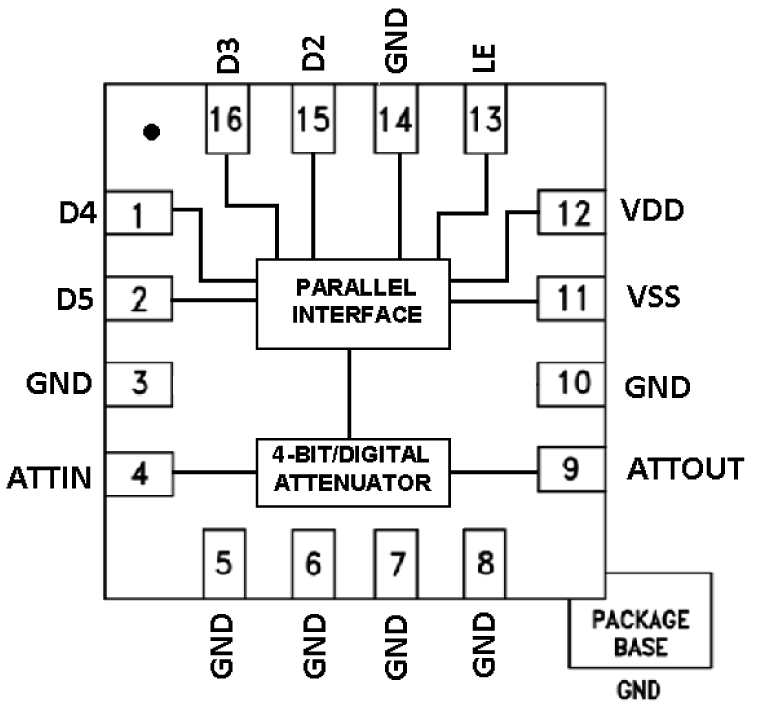
The ADRF5740 is a silicon, 4-bit digital attenuator with 22 dB attenuation control range in 2 dB steps.

The ADRF5740 operates from 10 MHz to 60 GHz with less than 3.3 dB of insertion loss and with ±(0.2 + 7.0% of attenuation state) of attenuation accuracy at 55 GHz. The ATTIN port of the ADRF5740 has an RF input power handling capability of 24 dBm average and 24 dBm peak for all states.

The ADRF5740 requires a dual supply voltage of +3.3 V and −3.3 V. The ADRF5740 features parallel mode control, and CMOS- and low voltage transistor to transistor logic (LVTTL)-compatible controls.

The ADRF5740 RF ports are designed to match a characteristic impedance of 50 Ω. The ADRF5740 comes in a 16-terminal, 2.5 mm × 2.5 mm, RoHS compliant, land grid array (LGA) package and operates from −40°C to +105°C.

Applications

  • Industrial scanners
  • Test and instrumentation
  • Cellular infrastructure: 5G millimeter wave
  • Military radios, radars, electronic counter measures (ECMs)
  • Microwave radios and very small aperture terminals (VSATs)

Subscribe to Welllinkchips !
Your Name
* Email
Submit a request