0
MAX20810
  • MAX20810
  • MAX20810
  • MAX20810

MAX20810

RECOMMENDED FOR NEW DESIGNS

10A, 2MHz, 2.7V to 16V Integrated Step-Down Switching Regulator with PMBus Shrink your power designs with industry’s smallest and fastest 10A step down switching regulator with PMBus

Analog Devices MAX20810 Product Info

10 February 2026 5

Features

  • High Power Density with Low Component Count
    • Compact 4.3mm × 6.55mm, 16 PIN, FC2QFN Package
    • Internal Compensation
    • Single-Supply Operation with Integrated LDO for Bias Generation
  • Wide Operating Range
    • 2.7V to 16V Input Voltage Range
    • 0.4V to 5.8V Output Voltage Range
    • 500kHz to 2MHz Configurable Switching Frequency
    • −40°C to +125°C Junction Temperature Range
  • Optimized Performance and Efficiency
    • 93.8% Peak Efficiency with VDDH = 12V and VOUT = 1.8V
    • High Efficiency with Optional External Bias Input Supply
    • AMS to Improve Load Transient Response
    • Differential Remote Sense
  • PMBus Interface
    • Adaptive Voltage Scaling of 0.4V to 0.8V Reference Range
    • PMBus Telemetry of Output Current, Output Voltage, Input Voltage, and Junction Temperature

Part details & applications

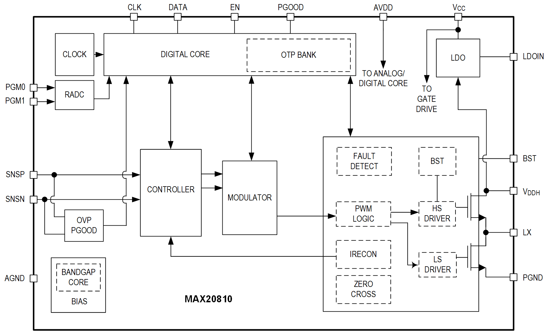
The MAX20810 is a fully integrated, highly efficient, step-down DC-DC switching regulator with PMBus interface. The device operates from 2.7V to 16V input supplies, and the output can be adjusted from 0.4V to 5.8V, delivering up to 10A of load current.

The switching frequency of the device can be configured from 500kHz to 2MHz, to provide the capability of optimizing the design in terms of size and performance.

The MAX20810 utilizes fixed frequency, current-mode control with internal compensation. The IC features a selectable advanced modulation scheme (AMS) to provide improved performance during fast load transients. Operation settings and configurable features can be selected by connecting a pin-strap resistors from the PGM_ pins to ground or using PMBus commands.

The IC has an internal 1.8V LDO output to power the gate drives (VCC) and internal circuitry (AVDD). The device also has an optional LDO input pin (LDOIN), allowing connection from a 2.5V to 5.5V bias input supply for optimized efficiency.

The IC has multiple protections including positive and negative overcurrent protection, output overvoltage protection, and overtemperature protection to ensure a robust design.

The device is available in 4.3mm x 6.55mm FC2QFN package. It supports -40°C to +125°C junction temperature operation.

Applications

  • Data Center Power
  • Communications Equipment
  • Networking Equipment
  • Servers and Storage
  • Point-of-Load Voltage Regulators

Subscribe to Welllinkchips !
Your Name
* Email
Submit a request