0
LTC3528B-2
  • LTC3528B-2
  • LTC3528B-2
  • LTC3528B-2

LTC3528B-2

RECOMMENDED FOR NEW DESIGNS

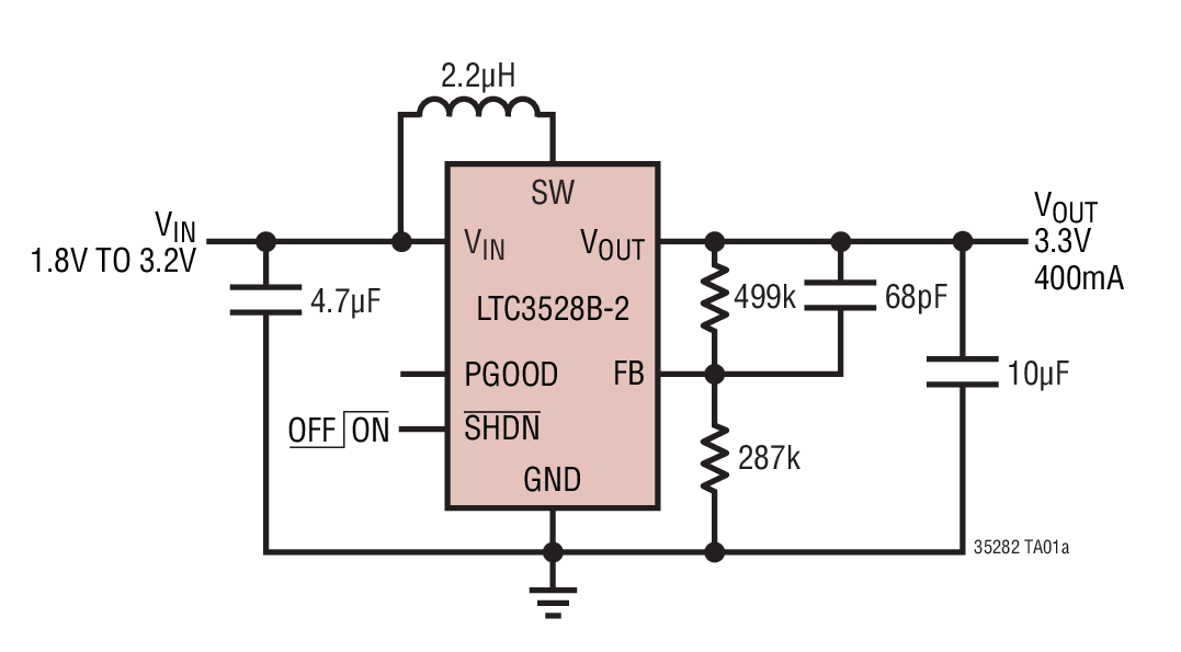
1A, 2MHz Synchronous Step-Up DC/DC Converter in 2mm × 3mm DFN

Analog Devices LTC3528B-2 Product Info

10 February 2026 5

Features

  • Delivers 3.3V at 200mA from a Single Alkaline/NiMH Cell or 3.3V at 400mA from Two Cells
  • VIN Start-Up Voltage: 700mV
  • 0.50V to 5.5V Input Range
  • 1.6V to 5.25V VOUT Range
  • Up to 94% Efficiency
  • Output Disconnect
  • 2MHz Fixed Frequency Operation
  • VIN > VOUT Operation
  • Integrated Soft-Start
  • Current Mode Control with Internal Compensation
  • Low Noise PWM Operation
  • Internal Synchronous Rectifier
  • Logic Controlled Shutdown: <1μA
  • Anti-Ringing Control
  • Low Profile (2mm × 3mm × 0.75mm) DFN Package

Part details & applications

The LTC3528B-2 is a synchronous, fixed frequency step-up DC/DC converter with output disconnect. High efficiency synchronous rectification, in addition to a 700mV start-up voltage and operation down to 500mV once started, provides longer run-time for single or multiple cell battery-powered products.

A switching frequency of 2MHz minimizes solution foot- print by allowing the use of tiny, low profile inductors and ceramic capacitors. The current mode PWM is internally compensated, simplifying the design process. The LTC3528B-2 features continuous switching at light loads. Anti-ringing circuitry reduces EMI by damping the inductor in discontinuous mode. Additional features include a low shutdown current, open-drain power good output, short- circuit protection and thermal overload protection.

The LTC3528B-2 is offered in an 8-lead 2mm × 3mm × 0.75mm DFN package.

Frequency Features
LTC3528 1MHz Yes
LTC3528B 1MHz No