0
ADP5054
  • ADP5054
  • ADP5054
  • ADP5054

ADP5054

RECOMMENDED FOR NEW DESIGNS

Quad Buck Regulator Integrated Power Solution

Analog Devices ADP5054 Product Info

10 February 2026 9

Features

  • Wide input voltage range: 4.5 V to 15.5 V
  • ±1.5% output accuracy over full temperature range
  • 250 kHz to 2 MHz adjustable switching frequency with individual ½× frequency option
  • Power regulation
    • Channel 1 and Channel 2
      • Programmable 2 A/4 A/6 A sync buck regulators with low-side FET drivers
    • Channel 3 and Channel 4: 2.5 A sync buck regulators
  • Flexible parallel operation
    • Single 12 A output (Channel 1 and Channel 2 in parallel)
    • Single 5 A output (Channel 3 and Channel 4 in parallel) 
  • Low 1/f noise density
    • 40 μV rms at 0.8 VREF for 10 Hz to 100 kHz
  • Precision enable with 0.811 V accurate threshold
  • Active output discharge switch
  • FPWM/PSM mode selection
  • Frequency synchronization input or output
  • Power-good flag for Channel 1 output
  • UVLO, OCP, and TSD protection
  • 48-lead, 7 mm × 7 mm LFCSP
  • −40°C to +125°C operational junctional temperature range 

Part details & applications

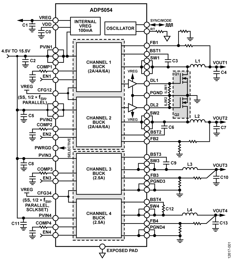
The ADP5054 combines four high performance buck regulators in a 48-lead LFCSP package that meets demanding performance and board space requirements. The device enables direct connection to high input voltages of up to 15.5 V with no preregulators.

Channel 1 and Channel 2 integrate high-side power metal-oxide semiconductor field effect transistors (MOSFETs) and low-side MOSFET drivers. External NFETs can be used in low-side power devices to achieve an efficiency optimized solution and to deliver a programmable output current of 2 A, 4 A, or 6 A. Combining Channel 1 and Channel 2 in a parallel configuration provides a single output with up to 12 A of current.

Channel 3 and Channel 4 integrate both high-side and low-side MOSFETs to deliver an output current of 2.5 A. Combining Channel 3 and Channel 4 in a parallel configuration can provide a single output with up to 5 A of current.

The switching frequency of the ADP5054 can be programmed or synchronized to an external clock from 250 kHz to 2 MHz, and an individual ½× frequency configuration is available for each channel.

The ADP5054 contains an individual precision enable pin on each channel for easy power-up sequencing. The internal low 1/f noise reference is implemented in the ADP5054 for noise sensitive applications.

Applications

  • FPGA and processor applications
  • Small cell base stations
  • Security and surveillance
  • Medical applications

Subscribe to Welllinkchips !
Your Name
* Email
Submit a request