0
LTC1755
  • LTC1755

LTC1755

PRODUCTION

Smart Card Interface

Analog Devices LTC1755 Product Info

10 February 2026 7

Features

  • Fully ISO 7816-3 and EMV Compliant (Including Auxiliary I/O Pins)
  • Buck-Boost Charge Pump Generates 3V or 5V
  • 2.7V to 6.0V Input Voltage Range (LTC1755)
  • Very Low Operating Current: 60µA
  • >10kV ESD on All Smart Card Pins
  • Dynamic Pull-Ups Deliver Fast Signal Rise Times
  • Soft-Start Limits Inrush Current at Turn On
  • 3V ↔ 5V Signal Level Translators
  • Shutdown Current: <1µA
  • Short-Circuit and Overtemperature Protected
  • Alarm Output Indicates Fault Condition
  • Multiple Devices May Be Paralleled for Multicard Applications (LTC1755)
  • Available in 16- and 24-Pin SSOP Packages

Part details & applications

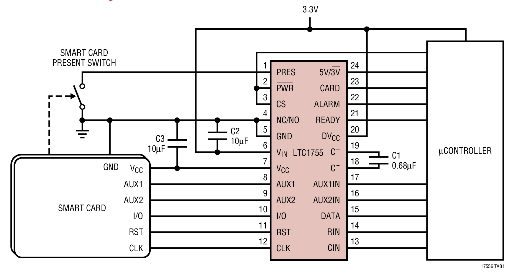
The LTC1755/LTC1756 universal Smart Card interfaces are fully compliant with ISO 7816-3 and EMV specifications. The parts provide the smallest and simplest interface circuits between a host microcontroller and general purpose Smart Cards.

An internal charge pump DC/DC converter delivers regulated 3V or 5V to the Smart Card, while on-chip level shifters allow connection to a low voltage controller. All Smart Card contacts are rated for 10kV ESD, eliminating the need for external ESD protection devices.

Input voltage may range from 2.7V to 6.0V, allowing direct connection to a battery. Internal soft-start mitigates start-up problems that may result when the input power is provided by another regulator. Multiple devices may be paralleled and connected to a single controller for multicard applications.

Battery life is maximized by 60µA operating current and 1µA shutdown current. The narrow SSOP packages minimize PCB area for compact portable systems.

Applications

  • Handheld Payment Terminals
  • Pay Telephones
  • Key Chain Readers
  • Smart Card Readers

Subscribe to Welllinkchips !
Your Name
* Email
Submit a request