0
LTC4558
  • LTC4558
  • LTC4558
  • LTC4558

LTC4558

PRODUCTION

Dual SIM/Smart Card Power Supply and Interface

Analog Devices LTC4558 Product Info

10 February 2026 6

Features

  • Power Management and Control for Two SIM Cards or Smart Cards
  • Independent 1.8V/3V VCC Control for Both Cards
  • Supports Simultaneous Powering of Both Cards
  • Fast Channel Switching
  • Automatic Level Translation
  • Dynamic Pull-Ups Deliver Fast Signal Rise Times*
  • Built-In Fault Protection Circuitry
  • Automatic Activation/Deactivation Sequencing Circuitry
  • Low Operating/Shutdown Current
  • > 10kV ESD on SIM Card Pins
  • Meets EMV Fault Tolerance Requirements
  • Low Profi le 20-Lead (3mm × 3mm) QFN Package

Part details & applications

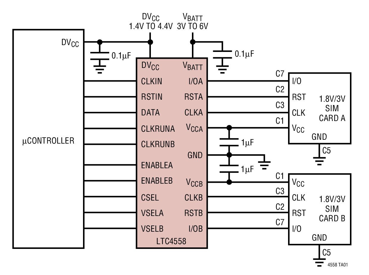
The LTC4558 provides the power conversion and signal level translation needed for advanced cellular telephones to interface with 1.8V or 3V subscriber identity modules (SIMs). The device meets all requirements for 1.8V and 3V SIMs and contains LDO regulators to power 1.8V or 3V SIM cards from a 2.7V to 5.5V input. The output voltages can be set using the two voltage selection pins and up to 50mA of load current can be supplied. A channel select pin determines which channel is open for communication. Separate enable pins for each channel allow both cards to be powered at once and allow for faster transition from one channel to the other.

Internal level translators allow controllers operating with supplies as low as 1.4V to interface with 1.8V or 3V Smart Cards. Battery life is maximized by a low operating current of 65µA and a shutdown current of less than 1µA. Board area is minimized by the low profi le 3mm × 3mm × 0.75mm leadless QFN package.

Applications

  • GSM, TD-SCDMA and other 3G+ Cellular Phones
  • Wireless Point-of-Sale Terminals
  • Multiple SIM Card Interfaces

Subscribe to Welllinkchips !
Your Name
* Email
Submit a request