0
ADP5053
  • ADP5053
  • ADP5053

ADP5053

PRODUCTION

Integrated Power Solution with Quad Buck Regulators and Supervisory Circuits

Analog Devices ADP5053 Product Info

10 February 2026 11

Features

  • Wide input voltage range: 4.5 V to 15.0 V
  • ±1.5% output accuracy over full temperature range
  • 250 kHz to 1.4 MHz adjustable switching frequency
  • Adjustable/fixed output options via factory fuse
  • Power regulation
    • Channel 1 and Channel 2: programmable 1.2 A/2.5 A/4 A sync buck regulators with low-side FET driver
    • Channel 3 and Channel 4: 1.2 A sync buck regulators
  • Single 8 A output (Channel 1 and Channel 2 operated in parallel)
  • Precision enable with 0.8 V accurate threshold
  • Active output discharge switch
  • FPWM or automatic PWM/PSM selection
  • Frequency synchronization input or output
  • Optional latch-off protection on OVP/OCP failure
  • Power-good flag on selected channels
  • UVLO, OCP, and TSD protection
  • Open-drain processor reset with external adjustable threshold monitoring
  • Watchdog refresh input
  • Manual reset input

Part details & applications

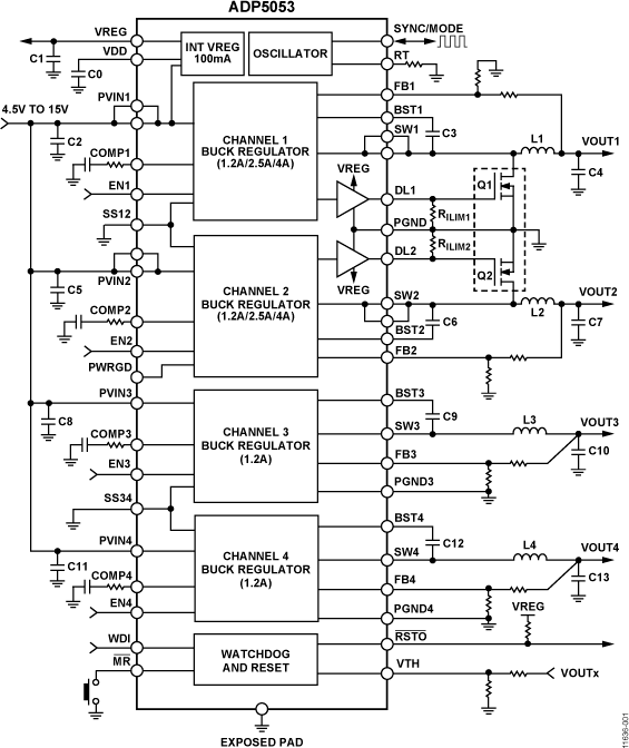
The ADP5053 combines four high performance buck regulators, a supervisory circuit, a watchdog timer, and a manual reset in a 48-lead LFCSP package that meets demanding performance and board space requirements. The device enables direct connection to high input voltages up to 15.0 V with no preregulators.

Channel 1 and Channel 2 integrate high-side power MOSFET and low-side MOSFET drivers. External NFETs can be used in low-side power devices to achieve an efficiency optimized solution and deliver a programmable output current of 1.2 A, 2.5 A, or 4 A. Combining Channel 1 and Channel 2 in a parallel configuration can provide a single output with up to 8 A of current.

Channel 3 and Channel 4 integrate both high-side and low-side MOSFETs to deliver an output current of 1.2 A.

The switching frequency of the ADP5053 can be programmed or synchronized to an external clock. The ADP5053 contains a precision enable pin on each channel for easy power-up sequencing or adjustable UVLO threshold.

The ADP5053 contains supervisory circuits that monitor the voltage level. The watchdog timer can generate a reset if the WDI pin is not toggled within a preset timeout period. Processor reset mode or system power on/off switch mode can be selected for manual reset functionality.

Applications

  • Small cell base stations
  • FPGA and processor applications
  • Security and surveillance
  • Medical applications

Subscribe to Welllinkchips !
Your Name
* Email
Submit a request