0
ADP2381
  • ADP2381
  • ADP2381

ADP2381

PRODUCTION

20 V, 6 A Synchronous Step-Down Regulator with Low-Side Driver

Analog Devices ADP2381 Product Info

10 February 2026 8

Features

  • Input voltage: 4.5 V to 20 V
  • Integrated 44 mΩ high-side MOSFET
  • 0.6 V ±1% reference voltage over temperature
  • Continuous output current: 6 A
  • Programmable switching frequency:
    250 kHz to 1.4 MHz
  • Synchronizes to external clock: 250 kHz to 1.4 MHz
  • 180° out-of-phase synchronization
  • Programmable UVLO
  • Power-good output
  • External compensation
  • Internal soft start with external adjustable option
  • Startup into a precharged output

Part details & applications

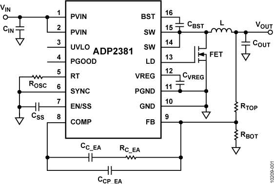
The ADP2381 is a current mode control, synchronous, step-down, dc-to-dc regulator. It integrates a 44 mΩ power MOSFET and a low-side driver to provide a high efficiency solution. The ADP2381 runs from an input voltage of 4.5 V to 20 V and can deliver 6 A of output current. The output voltage can be adjusted to 0.6 V to 90% of the input voltage. The switching frequency of the ADP2381 can be programmed from 250 kHz to 1.4 MHz or fixed at 290 kHz or 550 kHz. The synchronization function allows the switching frequency to be synchronized to an external clock to minimize system noise.

External compensation and an adjustable soft start provide design flexibility. The power-good output provides simple and reliable power sequencing. Additional features include programmable undervoltage lockout (UVLO), overvoltage protection (OVP), overcurrent protection (OCP), and thermal shutdown (TSD).

The ADP2381 operates over the −40°C to +125°C junction temperature range and is available in a 16-lead TSSOP_EP package.

APPLICATIONS

  • Communication infrastructure
  • Networking and servers
  • Industrial and instrumentation
  • Healthcare and medical
  • Intermediate power rail conversion
  • DC-to-DC point of load application

Subscribe to Welllinkchips !
Your Name
* Email
Submit a request