0
MAX2511
  • MAX2511

MAX2511

PRODUCTION

Low-Voltage IF Transceiver with Limiter and RSSI

Analog Devices MAX2511 Product Info

10 February 2026 8

Features

  • Single +2.7V to +5.5V Supply
  • Complete Receive Path:
    • 200MHz to 440MHz (first IF) to
    • 8MHz to 13MHz (second IF)
  • Limiter with Differential Outputs (adjustable level)
  • RSSI Function with 90dB Monotonic Dynamic Range
  • Complete Transmit Path:
    • 8MHz to 13MHz (second IF) to
    • 200MHz to 440MHz (first IF)
  • On-Chip Oscillator with Voltage Regulator and Buffer
  • Advanced System Power Management (four modes)
  • 0.1µA Shutdown Supply Current

Part details & applications

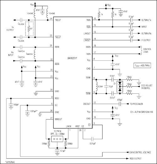
The MAX2511 is a complete, highly integrated IF transceiver for applications employing a dual-conversion architecture. Alternatively, the MAX2511 can be used as a single-conversion transceiver if the RF operating frequency ranges from 200MHz to 440MHz.

In a typical application, the receiver downconverts a high IF/RF (200MHz to 440MHz) to a 10.7MHz low IF using an image-reject mixer. Functions include an image-reject downconverter with 34dB of image suppression followed by an IF buffer that can drive an off-chip IF filter; an on-chip limiting amplifier offering 90dB of monotonic received-signal-strength indication (RSSI); and a robust limiter output driver. The transmit image-reject mixer generates a clean output spectrum to minimize filter requirements. It is followed by a 40dB variable-gain amplifier that maintains IM3 levels below -35dBc. Maximum output power is 2dBm. A VCO and oscillator buffer for driving an external prescaler are also included.

The MAX2511 operates from a 2.7V to 5.5V supply and includes flexible power-management control. Supply current is reduced to 0.1µA in shutdown mode.

For applications using in-phase (I) and quadrature (Q) baseband architecture for the transmitter, Maxim offers a corresponding transceiver product: the MAX2510. The MAX2510 has features similar to those of the MAX2511, but upconverts I/Q baseband signals using a quadrature upconverter.

Applications

  • 400MHz ISM Transceivers
  • IF Transceivers
  • PACS, PHS, DECT, and Other PCS Wireless Handsets and Base Stations
  • PWT1900 Wireless Handsets and Base Stations
  • Wireless Data Links

Subscribe to Welllinkchips !
Your Name
* Email
Submit a request