0
HMC547ALP3E
  • HMC547ALP3E

HMC547ALP3E

PRODUCTION

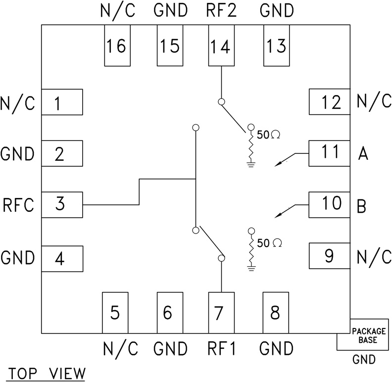
GaAs MMIC SPDT Non-Reflective Switch, DC - 20 GHz

Analog Devices HMC547ALP3E Product Info

10 February 2026 15

Features

  • High isolation:
    • >50 dB up to 5 GHz
    • >40 dB up to 15 GHz
  • Low insertion loss:
    • 1.8 dB at 10 GHz
    • 2.5 dB at 20 GHz
  • Fast switching
  • Non-reflective design
  • QFN SMT package, 9 mm2

Part details & applications

The HMC547ALP3E is a general purpose broadband high isolation non-reflective GaAs pHEMT SPDT switch in low cost leadless QFN surface mount plastic package. Covering DC to 20 GHz, the switch offers high isolation and low insertion loss. The switch features >50 dB isolation up to 5 GHz and >40 dB isolation up to 15 GHz. The switch operates using complementary negative control voltage logic lines of -5/0V and requires no bias supply. The HMC547ALP3E are packaged in leadless QFN 3×3 mm surface mount packages.

Applications

  • Basestation infrastructure
  • Fiber optics and broadband telecom
  • Microwave radio and VSAT
  • Military radios, Radar, and ECM
  • Test instrumentation

Subscribe to Welllinkchips !
Your Name
* Email
Submit a request