0
ADN4696E
  • ADN4696E
  • ADN4696E

ADN4696E

PRODUCTION

3.3 V, 200 Mbps, Half-Duplex, High Speed M-LVDS Transceiver with Type 2 Receiver

Analog Devices ADN4696E Product Info

10 February 2026 7

Features

  • Multipoint LVDS transceivers (low voltage differential signaling driver and receiver pairs)
  • Switching rate: 200 Mbps (100 MHz)
  • Supported bus loads: 30 Ω to 55 Ω
  • Type 2 receiver type: threshold offset of 100 mV for open-circuit and bus-idle fail-safe
  • Conforms to TIA/EIA-899 standard for M-LVDS
  • Glitch free power-up/power-down on M-LVDS bus
  • Controlled transition times on driver output
  • Common-mode range: −1 V to +3.4 V, allowing communication with 2 V of ground noise
  • Driver outputs high-Z when disabled or powered off
  • See data sheet for additional features

Part details & applications

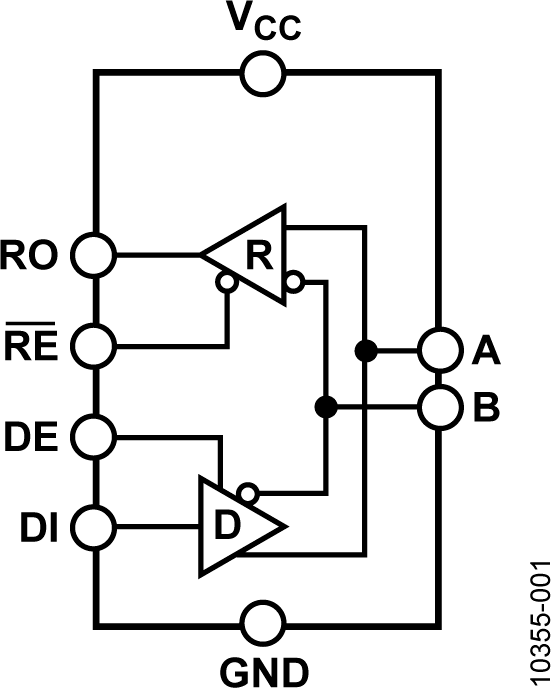
The ADN4691E / ADN4693E / ADN4696E / ADN4697E are multipoint, low voltage differential signaling (M-LVDS) transceivers (driver and receiver pairs) that can operate at up to 200 Mbps (100 MHz). The receivers detect the bus state with a differential input of as little as 50 mV over a common-mode voltage range of −1 V to +3.4 V. ESD protection of up to ±15 kV is implemented on the bus pins. The devices adhere to the TIA/EIA-899 standard for M-LVDS and complement TIA/EIA- 644 LVDS devices with additional multipoint capabilities.

The ADN4691E / ADN4693E are Type 1 receivers with 25 mV of hysteresis so that slow-changing signals or loss of input does not lead to output oscillations. The ADN4696E / ADN4697E are Type 2 receivers exhibiting an offset threshold, guaranteeing the output state when the bus is idle (bus-idle fail-safe) or the inputs are open (open-circuit fail-safe).

The devices are available as half-duplex in an 8-lead SOIC package (the ADN4691E / ADN4696E) or as full-duplex in a 14-lead SOIC package (the ADN4693E / ADN4697E).

APPLICATIONS

  • Backplane and cable multipoint data transmission
  • Multipoint clock distribution
  • Low power, high speed alternative to shorter RS-485 links
  • Networking and wireless base station infrastructure

Subscribe to Welllinkchips !
Your Name
* Email
Submit a request