0
ADM1065
  • ADM1065
  • ADM1065
  • ADM1065

ADM1065

PRODUCTION

Super Sequencer™ and Monitor

Analog Devices ADM1065 Product Info

10 February 2026 5

Features

  • Complete supervisory and sequencing solution for up to 10 supplies
  • 10 supply fault detectors enabling supervision of supplies to
    <0.5% accuracy at all voltages at 25°C
    <1.0 % accuracy across all voltages and temperatures
  • 5 selectable input attenuators allow supervision:
    Supplies up to 14.4 V on VH
    Supplies up to 6 V on VP1-4
  • 5 dual function inputs VX1-5:
    High impedance input to supply fault detector with thresholds between 0.573 V and 1.375 V
    General-purpose logic input
  • 10 programmable driver outputs, PDO1 to PDO10 (PDOx)
    Open-collector with external pull-up
    Push/pull output driven to VDDCAP or VPx
    Open collector with weak pull-up to VDDCAP or VPx
  • Sequencing engine (SE) implements state machine control of
    PDO outputs
    State changes conditional on input events
    Enables complex control of boardsPower-up and power-down sequence control
  • Fault event handling
  • See datasheet for additional information

Part details & applications

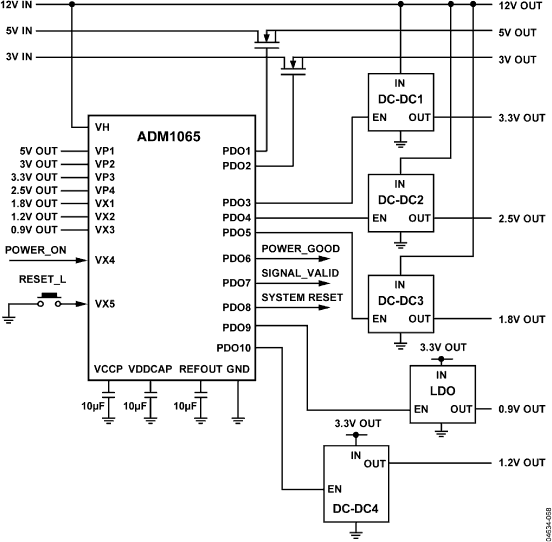
The ADM1065 Super Sequencer® is a configurable supervisory/sequencing device that offers a single-chip solution for supply monitoring and sequencing in multiple-supply systems.

The device also provides up to 10 programmable inputs for monitoring undervoltage faults, overvoltage faults, or out-of-window faults on up to 10 supplies. In addition, 10 programmable outputs can be used as logic enables. Six of these programmable outputs can each provide up to a 12 V output for driving the gate of an N-FET that can be placed in the path of a supply.

The logical core of the device is a sequencing engine. This state machine-based construction provides up to 63 different states. This design enables very flexible sequencing of the outputs based on the condition of the inputs.

The ADM1065 is controlled via configuration data that can be programmed into an EEPROM. The whole configuration can be programmed using an intuitive GUI-based software package provided by Analog Devices, Inc.

For more information about the ADM1065 register map, refer to the AN-698 Application Note.

APPLICATIONS

  • Central office systems
  • Servers/routers
  • Multivoltage system line cards
  • DSP/FPGA supply sequencing
  • In-circuit testing of margined supplies

Subscribe to Welllinkchips !
Your Name
* Email
Submit a request