0
ADH871S
  • ADH871S

ADH871S

NOT RECOMMENDED FOR NEW DESIGNS

DC to 20 GHz, EA Optical Modulator Driver

Analog Devices ADH871S Product Info

10 February 2026 8

Features

  • Wide Supply Range from +5V to +8V
  • Adjustable Output Amplitude up to 4 Vp-p
  • Low Additive RMS Jitter, < 300 fs
  • Low DC Power Consumption: 0.25 W for VOUT = 2.5 Vp-p at Vdd = 5V
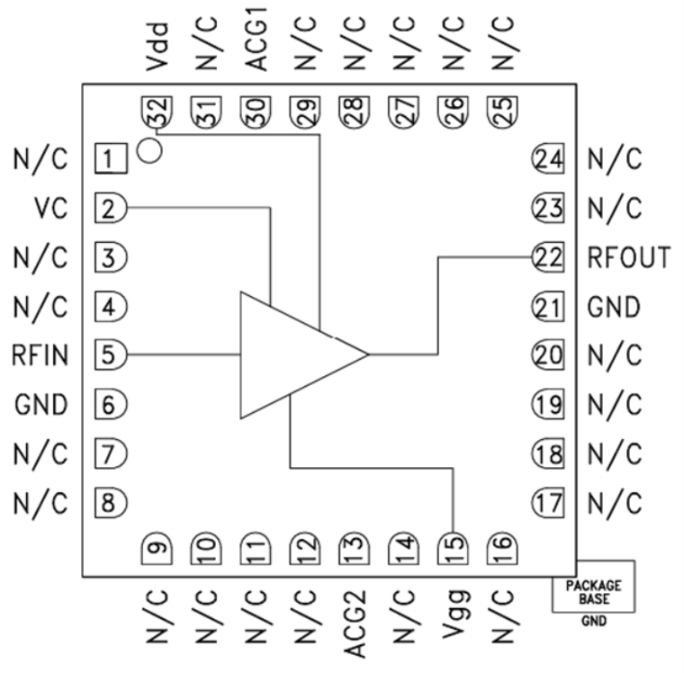
  • 32 Lead 5 mm x 5 mm SMT package
  • Screened with guidelines to MIL-PRF-38535, Class Level S

Part details & applications

The ADH871S is a GaAs MMIC PHEMT EA optical modulator driver that operates between DC and 20 GHz and provides 15 dB of gain. The output swing cross point is adjustable and saturated output swing is 4 Vp-p. Gain flatness is excellent at 0.5 dB as well as very low additive RMS jitter of 300 fs for 10 Gbps operation.

The ADH871S provides VSR and Gigabit Ethernet designers with scalable power dissipation for varying output drive requirements (<0.25 W at VOUT = 2.5 Vp-p and <0.6 W at VOUT = 4 Vp-p). The ADH871S has a very wide supply (Vdd) operating range from +5V to +8V and the I/Os are internally matched to 50 Ohms.

Applications

  • SONET OC-192 & SDH-STM-64 Transmission Systems
  • 10 GbE Transmitters
  • 10 Gbps VSR Modules
  • Pre-driver for 40 Gbps DQPSK Modules
  • Broadband Gain Block Test and Measurement Equipment
  • Military & Space

Subscribe to Welllinkchips !
Your Name
* Email
Submit a request