0
ADH448S
  • ADH448S

ADH448S

RECOMMENDED FOR NEW DESIGNS

Aerospace, GaAs, PHEMT, MMIC, x2 Active Multiplier Chip, 19 GHz to 25 GHz Fout

Analog Devices ADH448S Product Info

10 February 2026 7

Features

  • Output Power: +11 dBm
  • Wide Input Power Range: - 4 dBm to +6 dBm
  • Fo, 3Fo Isolation: > 20 dBc @ Fout = 20 GHz
  • 100 kHz SSB Phase Noise: -135 dBc/Hz
  • Single Supply: +5 V @ 48 mA
  • Die Size: 1.089 mm X 1.129 mm X 0.1 mm
  • Screened in accordance with MIL-PRF-38534, Class K

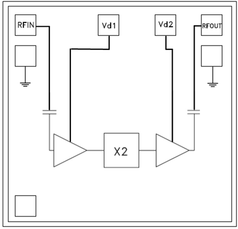
Part details & applications

The ADH448S die is a x2 active broadband frequency multiplier chip utilizing GaAs PHEMT technology. When driven by a 0 dBm signal, the multiplier provides +11 dBm typical output power from 19 GHz to 25 GHz. The Fo and 3Fo isolations are >22 dBc up to 22 GHz. This multi-rate frequency multiplier can be used in the generation of a half rate clock for 40 Gbps systems or as part of a multiplier chain to generate a full rate 40 Gbps clock.

The ADH448S is also ideal for use in LO multiplier chains. The low additive SSB Phase Noise of -135 dBc/Hz at 100 kHz offset helps maintain good system noise performance.

Applications

  • Clock Generation Applications
  • Point-to-point Radios
  • Instrumentation
  • Military & Space

Subscribe to Welllinkchips !
Your Name
* Email
Submit a request