0
ADG811
  • ADG811

ADG811

PRODUCTION

<0.5 Ω CMOS, 1.65 V to 3.6 V, Quad SPST Switches

Analog Devices ADG811 Product Info

10 February 2026 8

Features

  • 0.5 Ω typical on resistance
  • 0.8 Ω maximum on resistance at 125°C
  • Automotive temperature range: −40°C to +125°C
  • High current carrying capability: 300 mA continuous
  • 1.65 V to 3.6 V operation
  • Rail-to-rail switching operation
  • Fast switching times: <25 ns
  • Typical power consumption <0.1 μW

Part details & applications

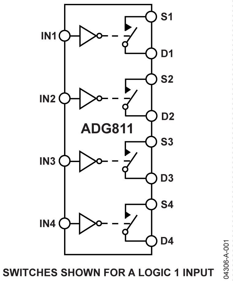
The ADG811 / ADG812 /  ADG813 are low voltage CMOS devices containing four independently selectable switches. These switches offer ultralow on resistance of less than 0.8 Ω over the full temperature range. The digital inputs can handle 1.8 V logic with a 2.7 V to 3.6 V supply.

These devices contain four independent single-pole/single-throw (SPST) switches. The ADG811 and ADG812 differ only in that the digital control logic is inverted. The ADG811 switches are turned on with a logic low on the appropriate control input, while a logic high is required to turn on the switches of the ADG812. The ADG813 contains two switches whose digital control logic is similar to the ADG811, while the logic is inverted on the other two switches.

Each switch conducts equally well in both directions when on and has an input signal range that extends to the supplies. The ADG813 exhibits break-before-make switching action.

The ADG811 / ADG812 / ADG813 are fully specified for 3.3 V, 2.5 V, and 1.8 V supply operation. The ADG811 is available in a 16-lead TSSOP package and a 16-lead LFCSP package, and the ADG812 / ADG813 are available in a 16-lead TSSOP package.

PRODUCT HIGHLIGHTS

  1. <0.8 Ω over full temperature range of −40°C to +125°C.
  2. Single 1.65 V to 3.6 V operation.
  3. Operational with 1.8 V CMOS logic.
  4. High current handling capability (300 mA continuous current at 3.3 V).
  5. Low THD + N (0.02% typical).
  6. Small 3 mm × 3 mm LFCSP package and 16-lead TSSOP package.

APPLICATIONS

  • Cellular phones
  • MP3 players
  • Power routing
  • Battery-powered systems
  • PCMCIA cards
  • Modems
  • Audio and video signal routing
  • Communicati

Subscribe to Welllinkchips !
Your Name
* Email
Submit a request