0
ADG713
  • ADG713

ADG713

PRODUCTION

CMOS Low Voltage 2.5 Ω Quad SPST Switch

Analog Devices ADG713 Product Info

10 February 2026 6

Features

  • 1.8 V to 5.5 V Single Supply
  • 2.5 O (Typ) On Resistance
  • Low On-Resistance Flatness
  • -3 dB Bandwidth >200 MHz
  • Rail-to-Rail Operation
  • 16-Lead TSSOP/SOIC packages
  • Fast Switching Times 
    tON 16 ns
    tOFF 10 ns
  • Typical Power Consumption
    (<0.01 µW )
  • TTL/CMOS Compatible

Part details & applications

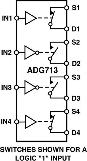
The ADG713 is a monolithic CMOS device containing four independently selectable switches. It is designed on an advanced submicron process that provides low power dissipation yet gives high switching speed, low on resistance, low leakage currents and high bandwidth.

The ADG713 operates from a single +1.8 V to +5.5 V supply, making it ideal for use in battery powered instruments and with the new generation of DACs and ADCs from Analog Devices. Fast switching times and high bandwidth make the part suitable for video signal switching.

The ADG713 contains two switches whose digital control logic is similar to the ADG711, while the logic is inverted on the other two switches. Each switch conducts equally well in both directions when ON. The ADG713 exhibits break-before-make switching action.

The ADG713 is available in 16-lead TSSOP and 16-lead SOIC packages.

Subscribe to Welllinkchips !
Your Name
* Email
Submit a request