0
ADG3245
  • ADG3245
  • ADG3245

ADG3245

PRODUCTION

2.5 V/3.3 V, 8 Bit, 2 Port Level Translator, Bus Switch

Analog Devices ADG3245 Product Info

10 February 2026 7

Features

  • 225 ps propagation delay through the switch
  • 4.5 Ω switch connection between ports
  • Data rate 1.244 Gbps
  • 2.5 V/3.3 V supply operation
  • Selectable level shifting/translation
  • 20-lead TSSOP and LFCSP packages
  • Level translation
    3.3 V to 2.5 V
    3.3 V to 1.8 V
    2.5 V to 1.8 V
  • Small signal bandwidth 610 MHz

Part details & applications

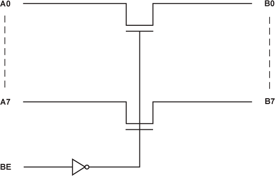
The ADG3245 is a 2.5 V or 3.3 V, 8-bit, 2-port digital switch. It is designed on Analog Devices’ low voltage CMOS process, which provides low power dissipation yet gives high switching speed and very low on resistance, allowing inputs to be connected to outputs without additional propagation delay or generating additional ground bounce noise.

The switches are enabled by means of the bus enable (BE) input signal. These digital switches allow bidirectional signals to be switched when ON. In the OFF condition, signal levels up to the supplies are blocked.

This device is ideal for applications requiring level translation. When operated from a 3.3 V supply, level translation from 3.3 V inputs to 2.5 V outputs is allowed. Similarly, if the device is operated from a 2.5 V supply and 2.5 V inputs are applied, the device will translate the outputs to 1.8 V. In addition to this, a level translating select pin (SEL) is included. When SEL is low, VCC is reduced internally, allowing for level translation between 3.3 V inputs and 1.8 V outputs. This makes the device suited to applications requiring level translation between different supplies, such as converter to DSP/microcontroller interfacing.

APPLICATIONS

  • 3.3 V to 1.8 V voltage translation
  • 3.3 V to 2.5 V voltage translation
  • 2.5 V to 1.8 V voltage translation
  • Bus switching
  • Bus isolation
  • Hot swap
  • Hot plug
  • Analog switch applications

PRODUCT HIGHLIGHTS

  1. 3.3 V or 2.5 V supply operation
  2. Extremely low propagation delay through switch
  3. 4.5 Ω switches connect inputs to outputs
  4. Level/voltage translation
  5. 20-lead TSSOP an

Subscribe to Welllinkchips !
Your Name
* Email
Submit a request