0
AD9173
  • AD9173
  • AD9173

AD9173

RECOMMENDED FOR NEW DESIGNS

Dual, 16-Bit, 12.6 GSPS RF DAC with Channelizers

Analog Devices AD9173 Product Info

10 February 2026 5

Features

  • Supports multiband wireless applications
    • 3 bypassable, complex data input channels per RF DAC
    • 1.54 GSPS maximum complex input data rate per input channel
    • 1 independent NCO per input channel
  • Proprietary, low spurious and distortion design
    • 2-tone IMD = −83 dBc at 1.8 GHz, −7 dBFS/tone RF output
    • SFDR < −80 dBc at 1.8 GHz, −7 dBFS RF output
  • Flexible 8-lane, 15.4 Gbps JESD204B interface
    • Supports single-band and multiband use cases
    • Supports 12-bit high density mode for increased data throughput
  • Multiple chip synchronization
    • Supports JESD204B Subclass 1
  • Selectable interpolation filter for a complete set of input data rates
    • 1×, 2×, 3×, 4×, 6×, and 8× configurable data channel interpolation
    • 1×, 2×, 4×, 6×, 8×, and 12× configurable final interpolation
  • Final 48-bit NCO that operates at the DAC rate to support frequency synthesis up to 6 GHz
  • Transmit enable function allows extra power saving and downstream circuitry protection
  • High performance, low noise PLL clock multiplier
    • Supports 12.6 GSPS DAC update rate
    • Observation ADC clock driver with selectable divide ratios
  • Low power
    • 2.55 W at 12 GSPS, dual channel mode
  • 10 mm × 10 mm, 144-ball BGA_ED with metal enhanced thermal lid, 0.80 mm pitch

Part details & applications

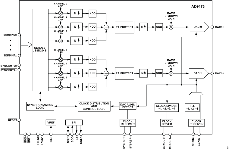
The AD9173 is a high performance, dual, 16-bit digital-to-analog converter (DAC) that supports DAC sample rates to 12.6 GSPS. The device features an 8-lane, 15.4 Gbps JESD204B data input port, a high performance, on-chip DAC clock multiplier, and digital signal processing capabilities targeted at single-band and multiband direct to radio frequency (RF) wireless applications.

The AD9173 features three complex data input channels per RF DAC that are bypassable. Each data input channel includes a configurable gain stage, an interpolation filter, and a channel numerically controlled oscillator (NCO) for flexible, multiband frequency planning. The device supports up to a 1.54 GSPS complex data rate per input channel and is capable of aggregating multiple complex input data streams up to a maximum complex data rate of 1.54 GSPS. Additionally, the AD9173 supports ultrawide bandwidth modes bypassing the channelizers to provide maximum data rates of up to 3.08 GSPS (with 11-bit resolution using 16-bit serializer/deserializer (SERDES) packing) and 3.4 GSPS (with 11-bit resolution using 12-bit SERDES packing).

The AD9173 is available in a 144-ball BGA_ED package.

APPLICATIONS

  • Wireless communications infrastructure
    • Multiband base station radios
    • Microwave/E-band backhaul systems
  • Instrumentation, automatic test equipment (ATE)

PRODUCT HIGHLIGHTS

  1. Supports single-band and multiband wireless applications with three bypassable complex data input channels per RF DAC at a maximum complex input data rate of 1.54 GSPS with 11-bit resolution and 1.23 GSPS with 16-bit resolution. One independent NCO per input channel.
  2. Ultrawide bandwidth channel bypass modes supporting up to 3.08 GSPS data rates with 11-bit resolution, 16-bit SERDES packing and 3.4 GSPS

Subscribe to Welllinkchips !
Your Name
* Email
Submit a request