0
MAX2871
  • MAX2871

MAX2871

PRODUCTION

23.5MHz to 6000MHz Fractional/Integer-N Synthesizer/VCO High-Performance, Wide-Frequency PLL with Integrated VCOs Simplifies Signal Chain and Improves Performance

Analog Devices MAX2871 Product Info

10 February 2026 4

Features

  • Output Binary Buffers/Dividers Enable Extended Frequency Range
    • Divider Ratios of 1/2/4/8/16/32/64/128
    • 23.5MHz to 6000MHz
  • High-Performance Phase Frequency Detector (PFD) and Reference Frequency Reduces Spectral Noise
    • PFD Up to 140MHz
    • Reference Frequency Up to 210MHz
  • Low Normalized Inband Phase Noise of -230dBc/Hz Reduces System Noise Floor Contribution
  • Manual or Automatic VCO Selection Permits Fast Switching
  • Output Phase Reset and Adjustment Allow Synchronization of Multiple Synthesizers
  • On-Chip Temperature Sensor with 7-Bit ADC Ensures Optimum VCO Selection
  • Cycle Slip Reduction and Fast Lock Features Improve Accuracy and Acquisition Time
  • VCO Lock Maintained Over Entire Temperature Range Provides Glitch-Free Operation
  • Dual Differential Programmable Outputs Maximize Flexibility of Use

Part details & applications

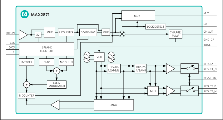
The MAX2871 is an ultra-wideband phase-locked loop (PLL) with integrated voltage control oscillators (VCOs) capable of operating in both integer-N and fractional-N modes. When combined with an external reference oscillator and loop filter, the MAX2871 is a high-performance frequency synthesizer capable of synthesizing frequencies from 23.5MHz to 6.0GHz while maintaining superior phase noise and spurious performance.

The ultra-wide frequency range is achieved with the help of multiple integrated VCOs covering 3000MHz to 6000MHz, and output dividers ranging from 1 to 128. The device also provides dual differential output drivers, which can be independently programmed to deliver -1dBm to +8dBm output power. Both outputs can be muted by either software or hardware control.

The MAX2871 is controlled by a 4-wire serial interface and is compatible with 1.8V control logic. The device is available in a lead-free, RoHS-compliant, 5mm x 5mm, 32-pin TQFN package, and operates over an extended -40°C to +85°C temperature range.

The MAX2871 has an improved feature set and better overall phase noise and is fully pin- and software-compatible with the MAX2870.

What are the differences between MAX2870 and MAX2871? ›


Applications

  • Clock Generation
  • Microwave Radios
  • Test and Measurement
  • Wireless Infrastructure

Subscribe to Welllinkchips !
Your Name
* Email
Submit a request