0
AD8189
  • AD8189
  • AD8189

AD8189

PRODUCTION

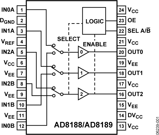
350 MHz Single-Supply (5 V) Triple 2:1 Multiplexer

Analog Devices AD8189 Product Info

10 February 2026 11

Features

  • Fully buffered inputs and outputs
  • Fast channel-to-channel switching: 4 ns
  • Single-supply operation (5 V)
  • High speed
    350 MHz bandwidth (-3 dB) @ 200 mV p-p
    300 MHz bandwidth (-3 dB) @ 2 V p-p
    Slew rate: 1000 V/µs
  • Fast settling time: 7 ns to 0.1%
  • Low current: 20 mA
  • Excellent video specifications: load resistor (RL) = 150 Ω
  • Differential gain error: 0.05%
  • 0.05° differential phase error
  • Low glitch
  • All hostile crosstalk
    -84 dB @ 5 MHz
    -52 dB @ 100 MHz
  • High off isolation: -95 dB @ 5 MHz

Part details & applications

The AD8189 (G = 2) is a high speed, single-supply, triple 2-to-1 multiplexer. It offers -3 dB small signal bandwidth of 350 MHz and -3 dB large signal bandwidth of 300 MHz, along with a slew rate in excess of 1000 V/µs. With -84 dB of all hostile crosstalk and -95 dB off isolation, the part is well suited for many high speed applications. The differential gain and differential phase error of 0.05% and 0.05° respectively, along with 0.1 dB flatness to 70 MHz, make the AD8188 ideal for professional and component video multiplexing. The part offers 4 ns switching time, making them an excellent choice for switching video signals, while consuming less than 20 mA on a single 5 V supply (100 mW). The device has a high speed disable feature that sets the outputs into a high impedance state. This allows the building of larger input arrays while minimizing off-channel output loading. The device is offered in a 24-lead TSSOP.

Subscribe to Welllinkchips !
Your Name
* Email
Submit a request