0
HMC613
  • HMC613

HMC613

RECOMMENDED FOR NEW DESIGNS

Successive Detection Log Video Amp., SMT 0.1 - 20 GHz

Analog Devices HMC613 Product Info

10 February 2026 8

Features

  • Wide Input Bandwidth; 0.1 to 20 GHz
  • High Logging Range: 59 dB
  • Output Frequency Flatness: ±1.5 dB
  • Log Linearity: ±1 dB
  • Fast Rise/Fall Times: 4/18 ns
  • Recovery Time: 26 ns
  • Single Positive Supply: +3.3V
  • Space Level Packaging Available
  • 24 Lead 4x4mm SMT Package: 16mm2

Part details & applications

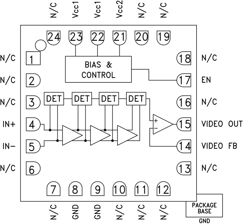
The HMC613LC4B is a Successive Detection Log Video Amplifier (SDLVA) which operates from 0.1 to 20 GHz. The HMC613LC4B provides a logging range of 59 dB. This device offers typical fast rise/fall times of 4/18 ns and a superior delay time of 14 ns. The HMC613LC4B log video output slope is typically 14 mV/dB. Maximum recovery times are less than 30 ns. The HMC613LC4B is available in a highly compact 4x4 mm SMT ceramic package and is ideal for high speed channelized receiver applications.

APPLICATIONS

  • EW, ELINT & IFM Receivers
  • DF Radar Systems
  • ECM Systems
  • Broadband Test & Measurement
  • Power Measurement & Control Circuits
  • Military & Space Applications

Subscribe to Welllinkchips !
Your Name
* Email
Submit a request