0
AD7840
  • AD7840

AD7840

PRODUCTION

Complete 14-Bit CMOS DAC

Analog Devices AD7840 Product Info

10 February 2026 7

Features

  • Complete 14-Bit Voltage Output DAC
  • Parallel and Serial Interface Capability
  • 80 dB Signal-to-Noise Ratio
  • Interfaces to High Speed DSP Processors
    e.g. ADSP-2100, TMS32010, TMS32020
  • 45 ns min WR Pulse Width
  • Interfaces to High Speed DSP Processors
    e.g. ADSP-2100, TMS32010, TMS32020
  • Low Power- 70 mW typ
  • Operates from ±5 V Supplies

Part details & applications

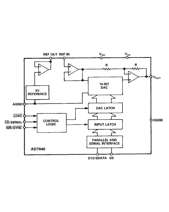
The AD7840 is a fast, complete 14-bit voltage output D/A converter. It consists of a 14-bit DAC, 3V buried Zener reference, DAC output amplifier and high speed control logic.

The part features double-buffered interface logic with a 14-bit input latch and 14-bit DAC latch. Data is loaded to the input latch in either of two modes, parallel or serial. This data is then transferred to the DAC latch under control of an a asynchronous LDAC signal. A fast data setup time of 21ns allows direct parallel interfacing to digital signal processors and high speed 16-bit microprocessors. In the serial mode, the maximum serial data clock rate can be as high as 6Mhz.

The analog output from the AD7840 provides a bipolar output range of +-3V. The AD7840 is fully specified for dynamic performance parameters such as signal-to-noise ratio and harmonic distortion as well as for traditional dc specifications. Full power output signals up to 20kHz can be created.

The AD7840 is fabricated in linear compatible CMOS (LC2MOS), an advanced, mixed technology process that combines precision bipolar circuits with low power CMOS logic. The part is available in a 24-pin plastic and hermetic dual-in-line packaged (DIP) and is also packaged in 28-terminal plastic leaded chip carrier (PLCC).

Subscribe to Welllinkchips !
Your Name
* Email
Submit a request