0
LTC1694-1
  • LTC1694-1
  • LTC1694-1
  • LTC1694-1

LTC1694-1

PRODUCTION

SMBus/I2C Accelerator*

Analog Devices LTC1694-1 Product Info

10 February 2026 9

Features

  • Improves SMBus/I2C Rise Time Transition
  • Ensures Data Integrity with Multiple Devices on the SMBus/I2C
  • Improves Low State Noise Margin
  • Wide Supply Voltage Range: 2.7V to 6V
  • Parallel Multiple LTC1694-1 Devices for Increased Drive
  • Low Profile (1mm) SOT-23 (ThinSOT) Package

Part details & applications

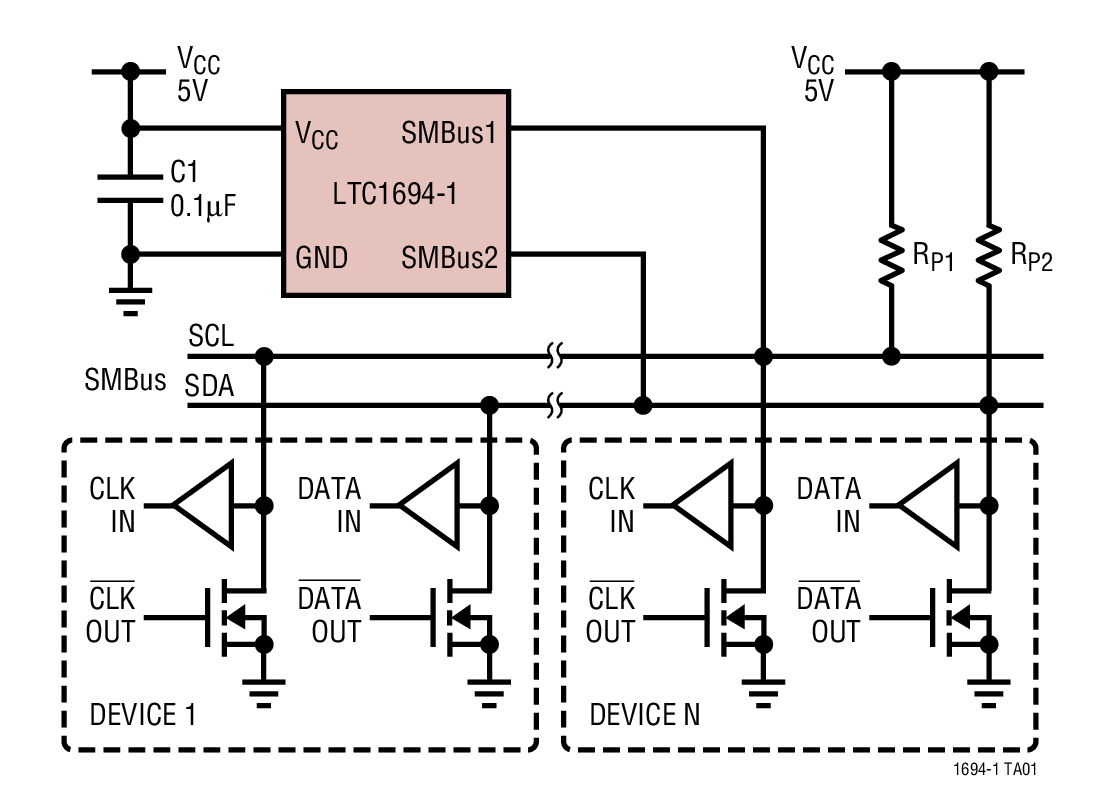
The LTC1694-1 is a dual SMBus active pull-up designed to enhance data transmission speed and reliability under all specified SMBus loading conditions. The LTC1694-1 is also compatible with the Philips I2C Bus.

The LTC1694-1 allows multiple device connections or a longer, more capacitive interconnect, without compromising slew rates or bus performance, by supplying a high pull-up current of 2.2mA to slew the SMBus or I2C lines during positive bus transitions.

During negative transitions or steady DC levels, the LTC1694-1 sources zero current. External resistors, one on each bus line, trigger the LTC1694-1 during positive bus transitions and set the pull-down current level. These resistors determine the slew rate during negative bus transitions and the logic low DC level.

The LTC1694-1 is available in a 5-pin SOT-23 package.

Applications

  • Notebook and Palmtop Computers
  • Portable Instruments
  • Battery Chargers
  • Industrial Control Application
  • TV/Video Products
  • ACPI SMBus Interface

Subscribe to Welllinkchips !
Your Name
* Email
Submit a request