0
AD7839
  • AD7839

AD7839

PRODUCTION

Octal 13-Bit, Parallel Input, Voltage-Output D/A Converter

Analog Devices AD7839 Product Info

10 February 2026 10

Features

  • Reference Range of ±5 V
    Maximum Output Voltage Range of ±10 V
    Clear Function to User-Defined Voltage
    44-Lead MQFP Package
  • Eight 13-Bit DACs in One Package
    Voltage Outputs
    Offset Adjust for Each DAC Pair

Part details & applications

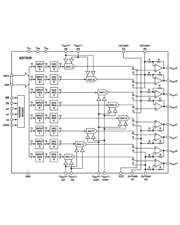
The AD7839 contains eight 13-bit DACs on one monolithic chip. It has output voltages with a full-scale range of ±10 V from reference voltages of ±5 V.

The AD7839 accepts 13-bit parallel loaded data from the external bus into one of the input registers under the control of the WR, CS and DAC channel address pins, A0–A2.

The DAC outputs are updated on reception of new data into the DAC registers. All the outputs may be updated simultaneously by taking the LDAC input low.

Each DAC output is buffered with a gain-of-two amplifier into which an external DAC offset voltage can be inserted via the DUTGNDx pins.

The AD7839 is available in a 44-lead MQFP package.

Subscribe to Welllinkchips !
Your Name
* Email
Submit a request