0
AD7609
  • AD7609
  • AD7609

AD7609

PRODUCTION

8-Channel Differential DAS with 18-Bit, Bipolar, Simultaneous Sampling ADC

Analog Devices AD7609 Product Info

10 February 2026 8

Features

  • 8 simultaneously sampled inputs
  • True differential inputs
  • True bipolar analog input ranges: ±20 V, ±10 V
  • Single 5 V analog supply and 2.3 V to 5.25 V VDRIVE
  • Fully integrated data acquisition solution
    • Analog input clamp protection
    • Input buffer with 1 MΩ analog input impedance
    • Second-order antialiasing analog filter
    • On-chip accurate reference and reference buffer
    • 18-bit ADC with 200 kSPS on all channels
    • Oversampling capability with digital filter
  • Flexible parallel/serial interface
  • SPI/QSPI/MICROWIRE/DSP compatible
  • Performance
    • 7 kV ESD rating on analog input channels
    • 98 dB SNR, −107 dB THD
    • Dynamic range: up to 105 dB typical
    • Low power: 100 mW
    • Standby mode: 25 mW
  • 64-lead LQFP package

Part details & applications

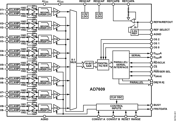
The AD7609 is an 18-bit, 8-channel, true differential, simultaneous sampling analog-to-digital data acquisition system (DAS). The part contains analog input clamp protection, a second-order antialiasing filter, a track-and-hold amplifier, an 18-bit charge redistribution successive approximation analog-to-digital converter (ADC), a flexible digital filter, a 2.5 V reference and reference buffer, and high speed serial and parallel interfaces.

The AD7609 operates from a single 5 V supply and can accommodate ±20 V and ±10 V true bipolar differential input signals while sampling at throughput rates up to 200 kSPS for all channels. The input clamp protection circuitry can tolerate voltages up to ±16.5 V on each analog input pin. The AD7609 has 1 MΩ analog input impedance regardless of sampling frequency. The single supply operation, on-chip filtering, and high input impedance eliminate the need for driver op amps and external bipolar supplies. The AD7609 antialiasing filter has a −3 dB cutoff frequency of 32 kHz and provides 40 dB antialias rejection when sampling at 200 kSPS. The flexible digital filter is pin driven, yields improvements in SNR, and reduces the −3 dB bandwidth.

Applications

  • Power line monitoring and protection systems
  • Multiphase motor control
  • Instrumentation and control systems
  • Multiaxis positioning systems
  • Data acquisition systems (DAS)

Subscribe to Welllinkchips !
Your Name
* Email
Submit a request