0
AD7228
  • AD7228
  • AD7228
  • AD7228

AD7228

NOT RECOMMENDED FOR NEW DESIGNS

LC2MOS Octal 8-Bit DAC

Analog Devices AD7228 Product Info

10 February 2026 9

Features

  • Eight 8-bit DACs with output amplifiers
  • Operates with single or dual supplies
  • Microprocessor-compatible (95 ns WR pulse)
  • No user trims required
  • Skinny 24-lead PDIP, CERDIP, and SOIC packages, and a 28-lead PLCC surface-mount package

Part details & applications

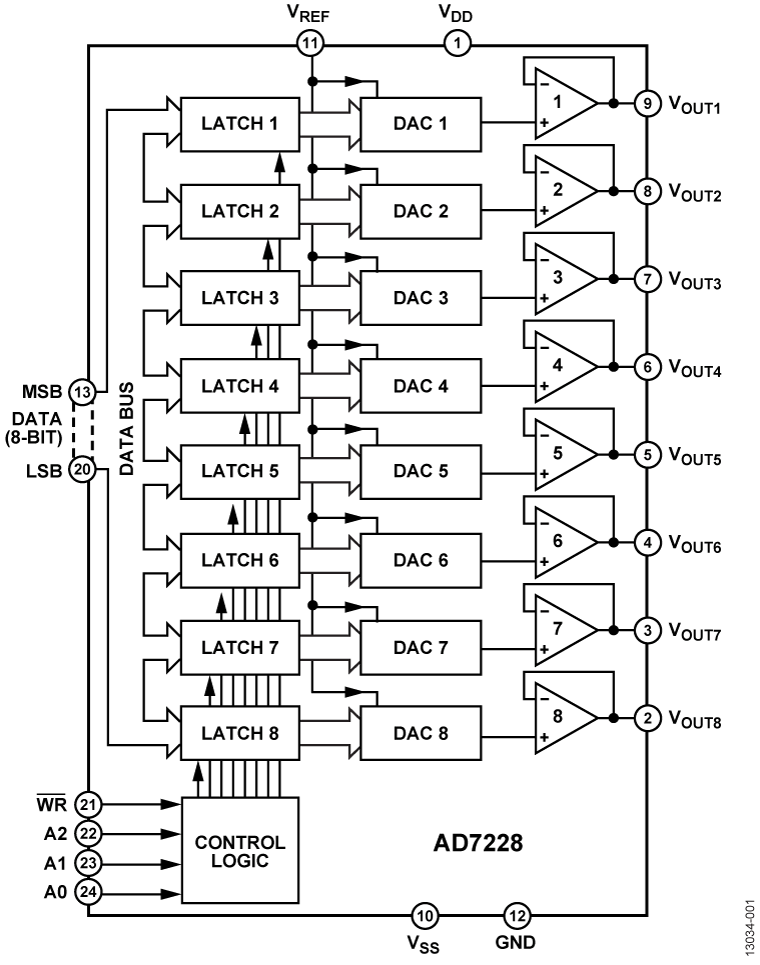
The AD7228 contains eight 8-bit voltage mode digital-to-analog converters (DACs), with output buffer amplifiers and interface logic on a single monolithic chip. No external trims are required to achieve the full specified performance for the device.

Separate on-chip latches are provided for each of the eight DACs. Data is transferred into the data latches through a common 8-bit, TTL/CMOS-compatible input port (5 V). The A0, A1, and A2 address inputs determine which latch is loaded when WR goes low. The control logic is speed compatible with most 8-bit microprocessors.

Specified performance is guaranteed for input reference voltages from 2 V to 10 V when using dual supplies. The device is also specified for single-supply operation using a reference of 10 V. Each output buffer amplifier is capable of developing 10 V across a 2 kΩ load.

The AD7228 is fabricated on an all ion implanted, high speed, linear-compatible CMOS (LC2MOS) process, specifically developed to integrate high speed digital logic circuits and precision analog circuits on the same chip.

Product Highlights

  1. The single chip design of eight 8-bit DACs and amplifiers allows a dramatic reduction in board space requirements and offers increased reliability in systems using multiple converters. The PDIP, CERDIP, and SOIC pinout is aimed at optimizing board layout with all analog inputs and outputs at one side of the package and all digital inputs at the other.
  2. The voltage mode configuration of the DACs allows single supply operation of the AD7228. The device can also be operated with dual supplies giving enhanced performance for some parameters.
  3. The AD7228 has a common 8-bit data bus with individual DAC latches, providing a versatile control architecture for simple interface to microprocessors. All latch enable signals

Subscribe to Welllinkchips !
Your Name
* Email
Submit a request