0
HMC447
  • HMC447

HMC447

RECOMMENDED FOR NEW DESIGNS

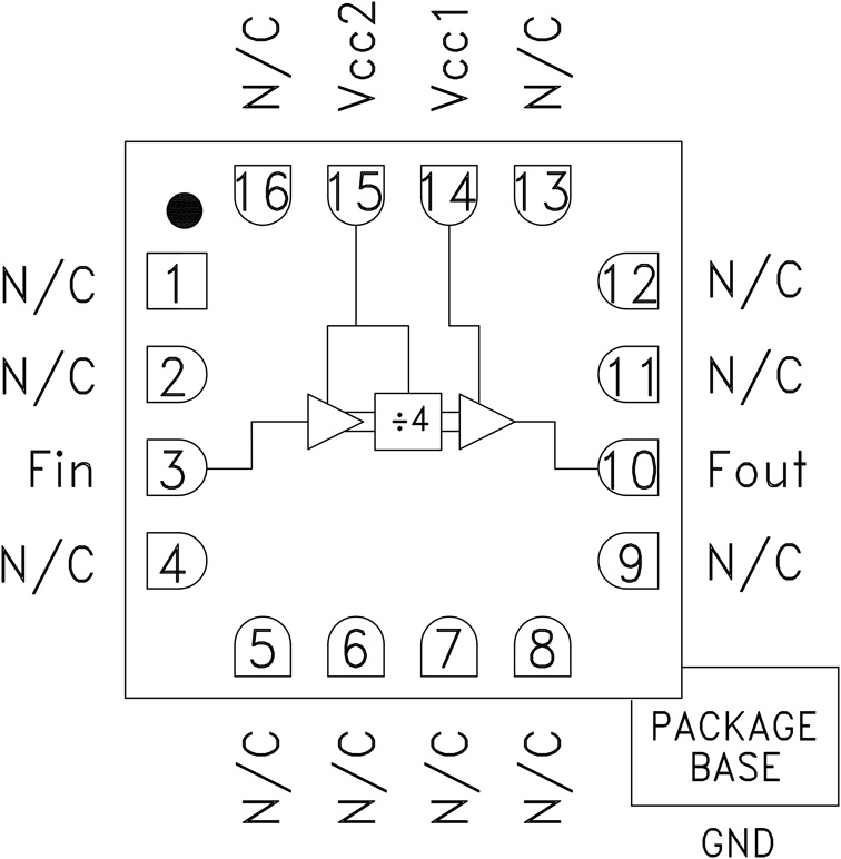
InGaP HBT Divide-by-4 SMT, 10 - 26 GHz

Analog Devices HMC447 Product Info

10 February 2026 9

Features

  • Very Wide Bandwidth
  • Ultra Low SSB Phase Noise: -150 dBc/Hz
  • Output Power: -4 dBm
  • Single DC Supply: +5V
  • RoHS Compliant 3x3 mm SMT Package

Part details & applications

The HMC447LC3 is a low noise Divide-by-4 Regenerative Divider utilizing InGaP GaAs HBT technology. This wideband divider operates with input frequencies from 10 to 26 GHz, and accepts a very wide range of input power levels. THe HMC447LC3 exhibits a very low SSB Phase Noise of -150 dBc/Hz at 100 kHz offset, making it ideal for use in high frequency Phase Locked Loops (PLL), and in Local Oscillator (LO) distribution applications where fundamental and divided LO frequencies are required within a system.

This versatile divider consumes only 96 mA from a single positive supply of +5V, and delivers very flat output power across the rated bandwidth. The HMC447LC3 is housed in a RoHS compliant, 3x3 mm leadless SMT package with an exposed ground paddle.

APPLICATIONS

  • Point-to-Point/Multi-Point Radios 
  • VSAT Radios 
  • Fiber Optic 
  • Test Equipment 
  • Military

Subscribe to Welllinkchips !
Your Name
* Email
Submit a request