0
HMC437
  • HMC437

HMC437

RECOMMENDED FOR NEW DESIGNS

InGaP HBT Divide-by-3 SMT, DC - 7 GHz

Analog Devices HMC437 Product Info

10 February 2026 6

Features

  • SSB Phase Noise: -153 dBc/Hz @100KHz
  • Wide Bandwidth
  • Output Power: -1 dBm
  • Single DC Supply: +5V @ 69 mA
  • MS8G SMT Package

Part details & applications

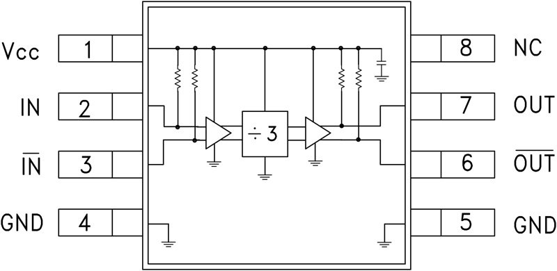
The HMC437MS8G(E) is a low noise Divide-by-3 Static Divider utilizing InGaP GaAs HBT technology in a low cost 8 lead surface mount plastic package. This device operates from DC (with a square wave input) to 7 GHz input frequency from a single +5V DC supply. The low additive SSB phase noise of -153 dBc/Hz at 100 kHz offset helps the user maintain good system noise performance.

APPLICATIONS

  • UNII, Point-to-Point & VSAT Radios
  • 802.11a & HiperLAN WLAN
  • Fiber Optic
  • Cellular/3G Infrastructure

Subscribe to Welllinkchips !
Your Name
* Email
Submit a request