0
HMC-C033
  • HMC-C033

HMC-C033

LAST TIME BUY

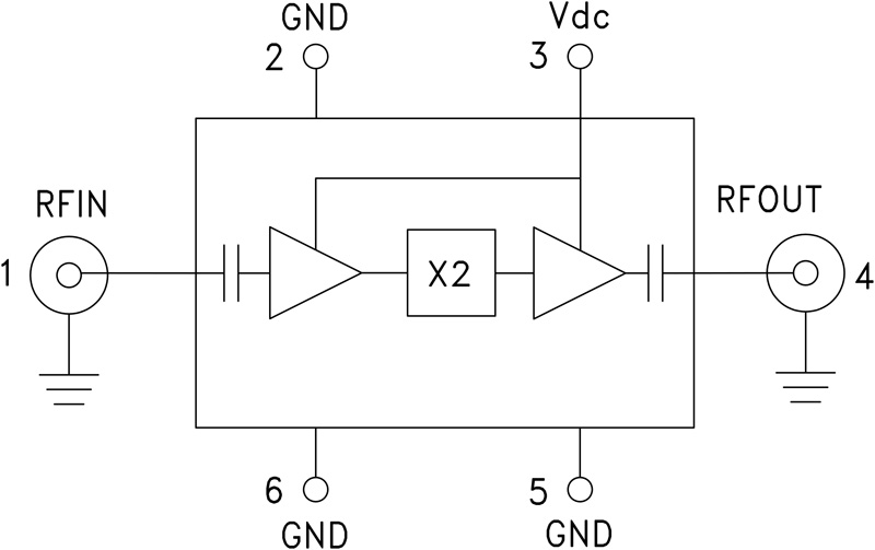
x2 Active Multiplier Module, 24 - 33 GHz Fout

Analog Devices HMC-C033 Product Info

10 February 2026 8

Features

  • High Output Power: +17 dBm
  • Low Input Power Drive: 0 to +6 dBm
  • 100 kHz SSB Phase Noise: -132 dBc/Hz
  • Single Supply: +5V @ 81 mA
  • Hermetically Sealed Module
  • Field Replaceable 2.92mm Connectors
  • -55° to +85°C Operating Temperature

Part details & applications

The HMC-C033 is a x2 active broadband frequency multiplier utilizing GaAs PHEMT technology in a miniature hermetic module. When driven by a 3 dBm signal, the multiplier provides +17 dBm typical output power from 24 to 33 GHz. The Fo and 3Fo isolations are >20 dBc and >30 dBc respectively at 28 GHz with respect to output signal level. This frequency multiplier features DC blocked I/O’s, and is ideal for use in LO multiplier chains for Pt to Pt & VSAT Radios yielding reduced parts count vs. traditional approaches. The low additive SSB Phase Noise of -132 dBc/Hz at 100 kHz offset helps maintain good system noise performance.

APPLICATIONS

  • Clock Generation Applications:
    SONET OC-192 & SDH STM-64 
  • Point-to-Point & VSAT Radios 
  • Military EW/Radar 
  • Space

Subscribe to Welllinkchips !
Your Name
* Email
Submit a request