0
AD5755
  • AD5755
  • AD5755

AD5755

NOT RECOMMENDED FOR NEW DESIGNS

Quad Channel, 16-Bit, Serial Input, 4 mA to 20 mA and Voltage Output DAC, Dynamic Power Control

Analog Devices AD5755 Product Info

10 February 2026 6

Features

  • 16-bit resolution and monotonicity
  • Dynamic power control for thermal management
  • Current and voltage output pins connectable to a single terminal
  • Current output ranges: 0 mA to 20 mA, 4 mA to 20 mA, or 0 mA to 24 mA
    • ±0.05% total unadjusted error (TUE) maximum
  • Voltage output ranges (with 20% overrange): 0 V to 5 V, 0 V to 10 V, ±5 V, and ±10 V
    • ±0.04% total unadjusted error (TUE) maximum
  • User programmable offset and gain
  • On-chip diagnostics
  • On-chip reference (±10 ppm/°C maximum)
  • −40°C to +105°C temperature range

Part details & applications

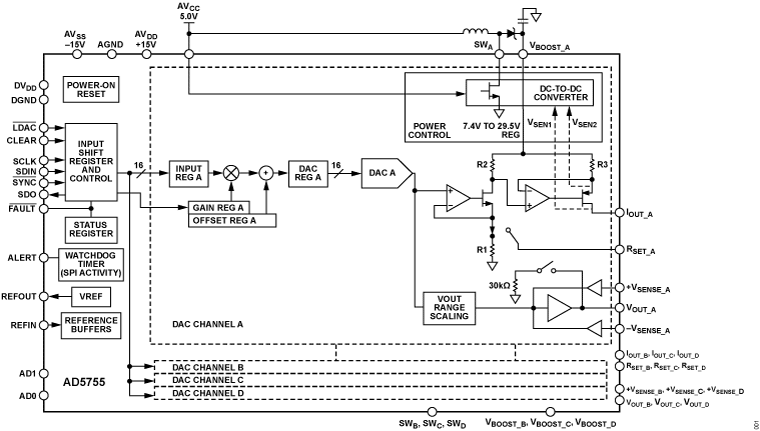
The AD5755 is a quad, voltage and current output DAC that operates with a power supply range from −26.4 V to +33 V.

On-chip dynamic power control minimizes package power dissipation in current mode. This is achieved by regulating the voltage on the output driver from 7.4 V to 29.5 V using a dc-to-dc boost converter optimized for minimum on chip power dissipation.

The part uses a versatile 3-wire serial interface that operates at clock rates of up to 30 MHz and is compatible with standard SPI, QSPI™, MICROWIRE™, DSP, and microcontroller inter-face standards. The interface also features optional CRC-8 packet error checking, as well as a watchdog timer that monitors activity on the interface.

Product Highlights

  1. Dynamic power control for thermal management.
  2. 16-bit performance.
  3. Multichannel.

Applications

  • Process control
  • Actuator control
  • PLCs

Subscribe to Welllinkchips !
Your Name
* Email
Submit a request